1.什么是油封?


图 1-2 油封安装示意图
油封包含无骨架、有骨架、无弹簧和有弹簧油封等。无骨架油封一般用于尺寸大、安装困难、工作条件差的场所,由于框架油封是装配好的,需要加盖,否则会随轴转动而导致密封失效,可用于夹套和纯橡胶油封。骨架油封是油封的典型代表,适应众多应用场合,特别是工程机械、起重机、消防及矿山机械等。在恶劣的工作条件下具有良好的密封性能和机械特性,其已经标准化,通常用于轴直径低于300的轴。
普通油封的工作压力不大于0.05MPa,耐压油封工作压力为1~1.2MPa。密封面的线速度,低速型小于6m/s,高速型6~15m/s。工作温度:-60~150℃,与油封的材料有关。适用介质为油、水及弱腐蚀性液体。寿命为500~2000h。
骨架油封是油封的典型代表,一般所说的油封即指的是骨架油封
旋转轴唇形密封圈是骨架油封的一种类型,由于其结构简单、紧凑、摩擦阻力小,对无压力或低压环境的旋转轴密封可靠,因而获得广泛应用。在无压环境中,常用于机械润滑油的向外泄漏,故又称为油封;或防止外界杂质、灰尘等有害物质进入机器内部,用于机器防尘。在各类液压泵、液压马达的旋转轴上广泛使用油封。
2.油封各部位的作用
骨架油封由唇端面、密封唇部、防尘唇部,配合部、金属骨架、紧箍弹簧等部分组成。如图2-1 所示。

图 2-1

图 3-1

图 4-1

图 4-2
按密封主唇空气侧结构可以分为无回流纹型、左旋回流纹型(L型)、右旋回流纹型(R型),如图4-3。

图 4-3
按骨架包覆橡胶部分的结构可以分为直面型和波纹型两种,如图4-4所示。

图 4-4
图4-1、图4-2、图4-3所示的各种结构可相互组合使用,组成W型、Z型、B型;FB型、FW型、FZ型;WL型、ZL型、BL型;WR型、ZR型、BR型;FBL型、FWL型、FZL型;FBR型、FWR型、FZR型,以上每种组合型都可与图4-4的两种结构型式任意组合。
5.骨架油封的材料
骨架油封的材料类型及适用工况见表5-1及5-2.

表 5-1

表 5-2
6.骨架油封的适用压力、尺寸及公差系列
6.1.骨架油封的适用压力
骨架油封通常用于空气侧为大气侧,液体侧高于大气压0~0.05MPa的条件下,在其他压力使用时应考虑采用耐压型油封。
6.2.骨架油封的尺寸及公差
骨架油封的装配示意图如图6-1所示,需要注意骨架油封有正面和背面。安装时,不得反方向安装。如果反方向安装,将达不到最大的阻油效果,导致漏油。

图 6-1
骨架油封的尺寸系列见下表所示:

表 6-1
密封圈的主唇直径过盈量及公差见下表:

表 6-2
密封圈的轴向宽度公差如下表:

表 6-3

表 6-4
7.骨架油封安装位置轴的尺寸要求
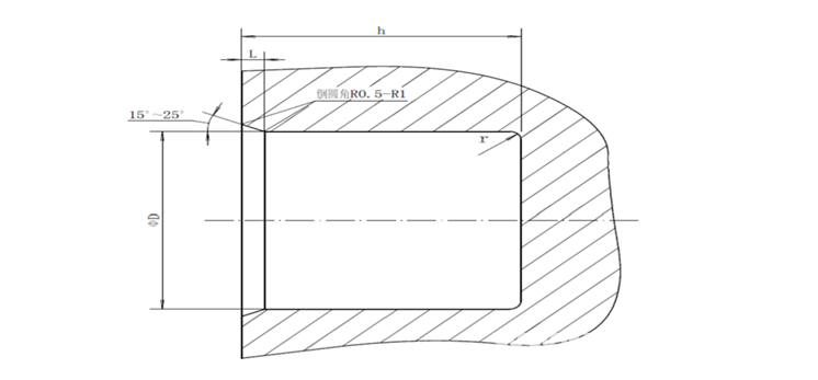
7.1.轴的导入倒角
为了保证油封顺利装配,避免在装配过程中损坏油封,轴的端部应设置导入倒角,具体参数见图7-1和表7-1,轴的端部应无毛刺,锋利边缘或粗加工痕迹,避免划伤油封。

图 7-1

表 7-1
7.2.轴的公差
|
轴径公差 |
表面粗糙度/μm |
|
|
Ra |
Rz |
|
|
h9或f9 |
0.8~0.4 |
3.2~1.6 |
7.3.轴的表面粗糙度

图 8-1

表 8-1
8.2.腔体孔径公差
腔体孔径公差不应大于GB/T1800.2中的H8级,推荐的公差如下表:
|
油封类型 |
腔体孔径公差 |
表面粗糙度/μm |
|
|
Ra |
Rz |
||
|
无骨架油封 |
H11 |
3.2 |
12.5 |
|
有骨架油封 |
H9或H8 |
1.6 |
6.3 |
声明:部分内容来源于网络,仅供学习、交流。版权归原作者所有。如有不妥,请联系删除。