可编程逻辑控制继电器是一种“可编程序”、“通用”、“智能化”的控制继电器,不同的厂商的产品有不同的名称,如德国金钟-默勒公司的电子式控制继电器“easy”;德国图尔克的智能控制继电器“BoxX”;西门子公司的通用逻辑模块“LOGO!”;施耐德公司的“Zelio Logic”逻辑控制器;日本和泉电气公司的FL1D型智能型应用控制器;日本OMRON公司的可编程序继电器“ZEN”;日本三菱公司的程控器“ALPHA”等。
可编程逻辑控制继电器的结构原理
可编程逻辑控制继电器将一些典型的继电逻辑控制程序预先存储在内部存储器中,通过用户程序组合、调用,以实现一些较简单的逻辑控制和顺序控制功能,用户程序通过面板采用梯形图或功能图语言编程,形象直观,简单易懂,由按钮、开关等输入开关量信号,通过顺序执行程序,可对输入信号进行算术运算、逻辑运算、模拟量运算、定时、加/减计数、 频率测量等,另外还有显示参数、通信、仿真运行等功能,其集成的内部软件功能和编程软件可替代传统的继电逻辑电路,如继电器、接触器和定时器等构成的逻辑电路,并具有很强的抗干扰抑制能力。另外,其硬件是标准化的,要改变控制功能只需改变程序即可。因此, 在继电逻辑控制系统中,可以“以软代硬”替代其中的时间继电器、中间继电器、计数器、 接触器和定时器等,以简化线路设计,并能完成较复杂的逻辑控制,甚至可以完成传统继电逻辑控制方式无法实现的功能。因此,在工业自动化控制系统、小型机械和装置、建筑电气等领域广泛应用。在智能建筑中适用于智能住宅系统、照明系统、取暖通风系统、门、窗、 栅栏和向动门等的控制。新型产品还具有LCD显示的人机操作界面,最多可显示32段文本,每个文本最多64个字符。可以通过本地和远程进行输入/输出点数扩展,还可以通过 AS-i、PROFIBUS、CANopen或DeviceNet网络模块,集成到高一级的自动化系统中。
可编程逻辑控制继电器基本型的宽度为72mm,相当于8个模数的尺寸,加长型和总线型的宽度相当于14个模数宽,可卡装在35mm导轨上,不同品牌的基本型产品外形基本相似。以德国金钟-默勒公司的“easy”为例,基本型的外貌及面板功能布置如图下图所示。

easy500/700/800系列和MFD-Titan多功能显示器具有数学运箅、逻辑控制、定时和计数、定时开关、PID控制、操作员和显示、高速计数、频率测量和高速增量式编码器处理、数据存储、通信连网等功能。
easy500控制继电器有8个数字量输入端、4个继电器输出端,或选择4个晶体管输出端,最多可编制128行程序,一行最多可排列3个触点和1个线圈,有16个操作和信息文本,可选2个模拟量输入端(10位),2个1kHz高速输入端,easy500控制继电器最多可处 理12个I/O信号。
easy700控制继电器有12个数字量输入端、6个继电器输出端,或选择8个晶体管输出端,最多可编制128行程序,一行最多可排列3个触点和1个线圈,有16个操作和信息文本,可选4个模拟量输入端(10位),2个1kHz高速输入端,1个I/O扩展模块或总线模 块,easy700控制继电器最多可处理40个I/O信号。
easy800控制继电器有12个数字量输入端、6个继电器输出端,或选择8个晶体管输出端,1个模拟量输出端,最多可编制256行程序,一行最多可排列4个触点和1个线圈,有32个操作和信息文本,可选4个模拟量输入端(10位),4个3/5kHz高速输入端,1个I/O 扩展模块或总线模块,利用内置的网络接口easy-Net可在设备之间连网,最多8个站点,最大通信距离1000m,并且所有站点都可以经easy-Link连接器进行本地扩展,因此eaSy800控 制继电器最多可处理320个I/O信号。
MFD (Multi-Function Display,多功能显示器)是HMI和easy控制继电器的组合,由显示/操作模块、电源/CPU模块和可选的I/O模块组成。除具有easy800控制继电器相同的功能外,主要是具有全图、背光显示功能,可作为具有显示、操作、编程和参数设置的紧凑型HMI控制设备使用。另外,MFD-Titan还可以经串行通信接口与一台easy800或另一台MFD- Titan进行简单的点对点通信。MFD-Titan多功能显示器具有12个数字量输入端、4个继电器输出端,或选择4个晶体管输出端,1个模拟量输出端,最多可编制256行程序,一行最多可排列4个触点和1个线圈,64×132像素全图、背光显示,一帧需24KB内存。可选4个模拟量输入端(10位),4个3/5kHz高速输入端,1个I/O扩展模块或总线模块,设备之间可连网,最多8个站点,最大通信距离1000m。MFD-Titan多功能显示器适用于大型控制项目。
easy500/700/800系列和MFD-Titan多功能显示器的电源为AC115/240V或DC12/24V。 easy基本型的DI通常为DC12/24V、AC115/240V输入,DO通常为DC12/24V、AC115/ 240V晶体管或继电器输出,继电器输出最大电流可达10A。模拟量输入/输出类型为0〜10V。高速输入端和可选模拟量输入端仅适应于直流电源型,交流型没有。
easy800控制继电器和MFD-Titan多功能显示器拥有PLC的所有性能特点,利用内置的网络接口easy-Net,最多可使8台设备之间互相连网,并且所有站点都可以经easy-Link连接器进行本地扩展,因此可以处理最多320个I/O点。控制系统可以由单台的设备构成,或者由多台分散的设备构成。网络覆盖距离最大1000m。并且通过总线连接模块,还可以将设备 集成到上一级自动化系统中,可以连接的总线系统有PROFIBUS-DP、CANopen、DeviceNet 和AS-i。MFD-Titan支持easy800的所有功能,并具有全图显示屏,可以图形或文本方式显示故障信息和运行过程等。利用MFD-Titan上的功能键可以在线显示、修改设定值。与easy800—样,MFD-Titan也具备数学运算、高速计数、频率测量和高速增量式编码器处理、 数据存储或连网通信等功能。
easy控制继电器的用户程序使用梯形图语言,仅用四个编程键即可输入,如上图所示,并可通过显示屏观察输入状态。施耐德公司的“Zelio Logic”逻辑控制器的用户程序使用的梯形图语言与easy控制继电器类似,而西门子公司的“LOGO!”用功能图语言(功能块)输入程序。
可编逻辑控制继电器的功能与应用简介


线圈电路符号和显示符号及特性。

补一张图,由于上段文字中有不好处理的符号,因此小编将书籍内容以图片形式上传,希望大家见谅。
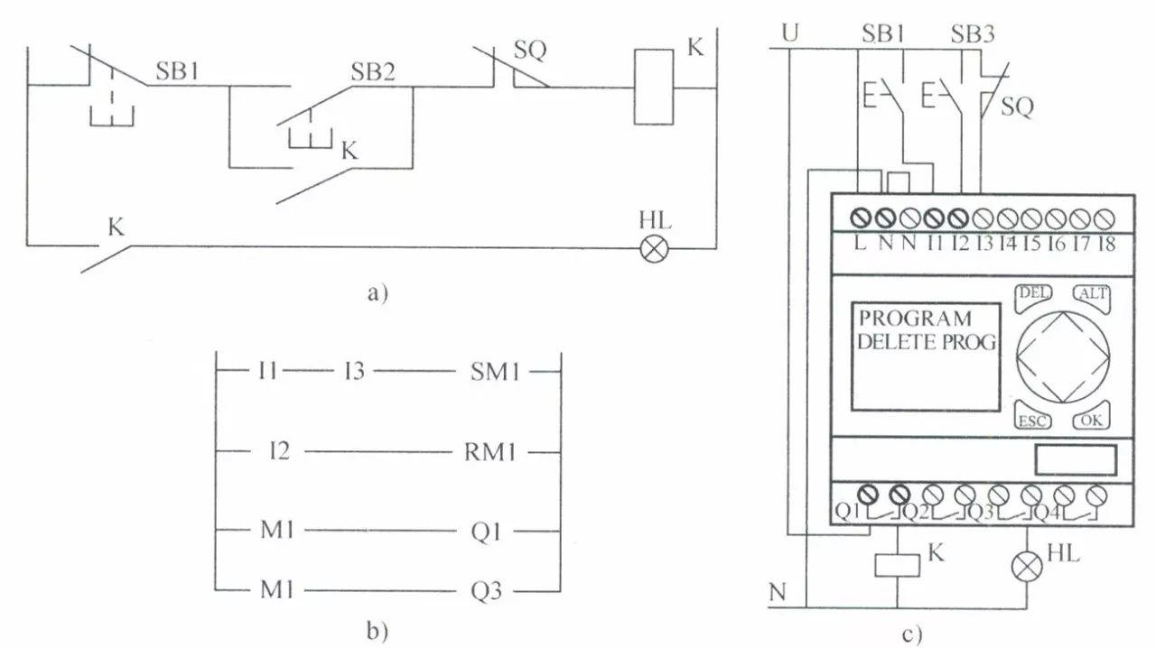
应用easy控制继电器时,只需将所设计的继电逻辑控制图,根据easy控制继电器用户手册中规定的适当符号将其变换为相应的梯形图,通过面板上的编程按键输入到easy中即可,输入完成后可离线仿真运行,通过显示器可显示出电流的流动状态及工作状态。下图是一个简单的电动机控制线路的实例,为说明问题只取了其中的一部分。

图a是继电逻辑控制线路,图b是输入到easy中的梯形图,图c是接线原理图。梯形图利用了带复位端的闩锁继电器功能来实现,SM1为中间继电器M1的自锁线圈,RM1为其复位线圈;I1、I2是按钮的输入信号,I3是限位开关,按钮和限位开关分別接在easy的输入控制端子上;接触器与指示灯分别接在easy的输出端子上。当按下按钮 SB1 (I1),SM1自锁,若此时限位开关(I3)闭合,输出触点Q1得电,则接通接触器的线圈电源,电动机运转;输出触点Q2也得电,指示灯亮;停止时,按下按钮SB2 (I2),M1复原,电动机停转。由上图可见,其逻辑关系十分明确,简单易懂。需要说明的是,图 中编制的梯形图不是唯一的,亦可利用其他编程元件编制出相同功能的梯形图。限于篇幅,不再多述,需要时请大家参考产品用户手册。下表列出了可编程逻辑控制继电器部分常用逻辑功能块图,供参考,各品牌产品的逻辑功能块图的符号基本相同,有的略有差別。


END