刘 涛 井德强 王 刚 王伟国 安 俊
陕西省特种设备检验检测研究院 西安 710048
摘 要:针对现场难以准确判别起重机械供电系统保护接地形式的问题,提出了测量法判别供电系统保护接地形式的方法,为准确测量接地电阻和判断接地电阻符合性提供前提保障;针对不合理的线路保护形式,分析了控制回路采用隔离变压器供电可能导致某些电气安全开关失效的风险,提出了降低风险的措施,为起重机械接地保护和线路保护的设计和检验提供了借鉴。
关键词:起重机械;接地保护形式;接地保护;线路保护
中图分类号:TU201.2 文献标识码:A 文章编号:1001-0785(2020)19-0090-06
0 引言
起重机械是典型的机电一体化产品,通过控制系统对起升和行走等机构电机或马达的协同控制,从而实现重物的升降和运输。低压供电系统是起重机械正常运行的动力源,而保证起重机械日常使用、维护和检查过程的用电安全,是设计、使用、检验和检测研究的重要课题。检规对起重机电气设备接地和线路绝缘做出了明确要求。然而,测量其接地电阻的首要任务是明确供电系统的接地保护形式,在实际检验和检测过程中发现,许多起重机的接线不符合国家规范,仅查看现场布线情况很难判别接地保护形式。此外,不合理的线路保护还可能导致安全防护装置电气开关失效和人员触电。
1 检规对电气设备接地和线路绝缘的要求
1.1 接地电阻的要求
TSG Q7015 - 2016《起重机械定期检验规则》[1](以下简称为检规),为防止发生人员的间接触电事故[2],C8.9.2.2 项对接地电阻有具体的规定:
1)对于TN 接地系统,PE 线每一处重复接地的接地电阻不大于10 Ω;
2)对于TT 接地系统,电气设备的外露可导电部分(电源保护接地线)的接地电阻不大于4 Ω;
3)对于IT 接地系统,用电设备金属外壳(电源保护接地线)的接地电阻不大于4 Ω。
由此可见,要准确测量和判断接地电阻是否符合要求,明确被测系统的接地保护形式是关键。
1.2 电气线路对地绝缘和线路保护的要求为防止起重机的线路漏电造成人员触电事故,检规C8.10 规定电气线路对地绝缘电阻应符合以下要求:
1)额定电压不大于500 V 时,不小于1.0 MΩ;防爆起重机不低于1.5 MΩ;
2)绝缘起重机用1 000 V 兆欧表测量电气线路对地、吊钩与滑轮、起升机构与小车、小车架与大车的绝缘值,其均不低于1.0 MΩ。
此外,检规C8.3 项要求所有外部线路均具有短路或接地引起的过电流保护功能。良好的线路对地绝缘和合理的线路保护对起重机电气安全防护至关重要。
2 起重机接地保护形式的分类及判别
2.1 接地保护形式的分类
低压配电系统的接地保护形式按电源端中性点与用电设备外露可导电部分是否接地分为TN、TT 和IT 等三大系统[3,4]。
1)TN 系统
电源端中性点接地(工作接地),并有中性线(N线)引出,将用电器金属外壳经公共的保护线(PE 线或PEN 线)与电源的中性点电气连接,即保护接零。按保护接零线的构造形式,TN 系统又分为TN-S 系统、TN-C 系统和TN-C-S 系统。
① TN-S 系统 如图1 所示,N 线与PE 线从电源起就分开,形成五线供电,即使N 线故障断开也不会影响PE 线的保护作用。只有相线故障触碰用电设备金属外壳时,PE 线才会有电流短时通过并迅速动作线路过流保护装置,对接在PE 线上的其他设备不会产生电磁干扰。

图1 TN-S 系统
② TN-C 系统 如图2 所示,N 线与PE 线合为一体,构成保护中性线(PEN 线)。虽然节省了一根导线,却可能造成三相负载不平衡,甚至PEN 线故障断开,而用电器工作过程中金属外壳触碰相线时,会导致所有用电器金属外壳产生危险性的接触电压。

图2 TN-C 系统
③ TN-C-S 系统 如图3 所示,从电源端到用户配电箱,前一部分N 线和PE 线合为PEN 线,构成三相四线制的TN-C 系统;后一部分N 线和PE 线又分开形成三相五线制的TN-S 系统。因此,该系统兼有两个系统的特点,常用于工作环境较差或对电磁干扰要求较高的场所。

图3 TN-C-S 系统
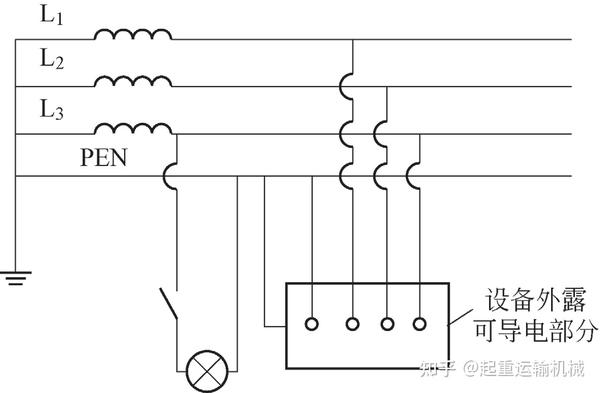
2)TT 系统
如图4 所示,电源中性点接地,有N 线引出,并用电器金属外壳保护接地。TT 系统发生相线故障触碰用电器金属外壳时,电流通过大地返回电源侧,故障相保电流较TN 系统小得多,即使有熔断器或热继电器也不一定能熔断或动作,故必须加装漏电保护器(如剩余电流保护器)[5]。

图4 TT 系统
3)IT 系统
如图5 所示,电源中性点不接地或通过高阻抗接地,而用电器金属外壳保护接地,该系统不宜引出中性导体。为了使重要负载即使短时接地也能工作,出现小故障也不能随意停机(一般不采用漏电保护),因为该系统第一次出现故障的故障电流较小,不足于使用电器金属外壳产生危险性的接触电压。因此,可以不切断电源,用电器仍可继续运行,并可通过绝缘监测及检查消除故障。系统内发生第二次故障(发生在另一相线或中性线上)时,为避免电源、线路和用电器烧坏,应迅速自动切断电源。

图5 IT 系统
2.2 接地保护形式的判别
在测量起重机接地电阻时,需要明确接地保护形式。然而在现场检验时发现,许多用户未按照国家标准接线。例如,根据某起重机控制柜的三相五线制布线情况,可判断其为TN-S 接地保护形式,而经查线发现,其PE 线并非引自电源中性点,而是接入现场接地桩,又与TN 系统要求矛盾。因此,仅通过现场电气控制柜的接线情况很难准确判断其接地保护形式。
现场查线法是判别接地保护形式的传统方法,从用电设备的PE 线开始,经过配电柜接线端子到变压器接线柱进行反向查线。这种方法最直接,但在复杂的配电网络中,其可操作性较差。
相对于现场查线法,测量法可操作性更好。测量法,需要用到诸如交流电压表,接地电阻仪,万用表等测量仪器。该测量法判别接地保护形式的步骤如下:
1)判断电源端中性点是否接地,即区分电源是IT系统还是TN 或TT 系统。
选用阻抗不大于相线对地绝缘电阻值的交流电压表测量相线与设备接地装置之间的电压(或在电压表两端并联一个不大于相线对地绝缘电阻的电阻,而后测量相线与设备接地装置之间的电压),如图6 所示。

图6 测电压判断电源中性点是否接地
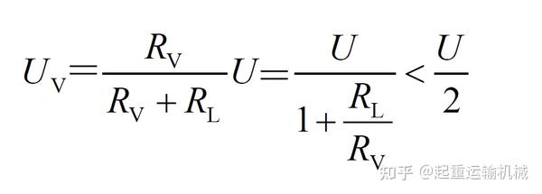
①如果电压表读数不大于相电压的四分之三,可判定为IT 系统。因为IT 系统中性点与地之间具有高阻抗,该阻抗与电压表串联形成回路(见图7),该阻抗具有分压作用,设交流电压表读数为UV,其内阻为RV,高阻抗为RL,且满足RV < RL,相电压为U,根据欧姆定律可得

可见,理论上电压表读数应小于相电压的一半,但由于高阻抗RL 与交流电压表内阻RV 接近(同数量级),会严重降低该电压表的灵敏度,使其精度显著降低,存在较大测量误差,但只要选用的交流电压表内阻与该高阻抗接近,其误差一半不会超过25%。所以,若检测出电压表读数不大于相电压的四分之三,即可判断该系统为IT 系统。

图7 检测回路原理图
②如果电压表读数与相电压相近,可判定电源中性点直接接地(即TT 或TN 系统)。TN 系统和TT 系统电源端(或变压器副边)中性导体直接接地,此时中性导体接地线内阻相对于串联其中的电压表内阻可忽略不计,故电压表示数接近相电压。
2)判断用电设备金属外壳是否独立于电源端接地,即区分是TN 系统还是TT 系统。如图8 所示,分别使用接地电阻仪和万用表测量电源的N 线(或PE 线)与设备接地装置之间的接地电阻,其测得值分别为r 和R。
①若r 与R 值基本相同,且电阻值与所测回路导体电阻估算值也基本相同,则可判定为接零保护,即TN系统。由于TN 系统的电源中性点直接接地,且PE 线由中性线引出,所测得中性线与设备接地线之间的电阻即该回路导体阻值。
②如果它们的阻值不相等,且电阻值与所测回路导体电阻值相差较大,可判定为接地保护,即TT 系统。由于TT 系统用电器金属外壳工作接地保护,所测得中性线与设备保护接地线之间的电阻为接地线和接地体本身的电阻、接地体与大地之间的接触电阻以及两接地体之间大地的电阻的总和[6]。

图8 测电阻判断设备保护接地形式
3 线路对地绝缘和线路保护
3.1 线路保护的必要性
检规和GB6067.1 - 2010《起重机械安全规程 第1部分:总则》[7](以下简称规程)对起重机的电气线路对地绝缘和线路保护做了明确要求。线路对地绝缘良好,可以防止人员间接触电和电气损坏电子元器件;而合理的线路保护既可防止人员间接触电,又能避免电气安全开关的失效。
规程要求所有的线路都应具有短路或接地引起的过电流保护功能。通常采用熔断器和热继电器等元器件实现对电源的短路保护。
现场检验发现,许多起重机采用隔离变压器将380V 的交流动力电转变为安全电压,为其控制回路供电。而隔离变压器的副边要求不能接地,一旦串联于该控制回路的线路发生故障触地,将造成诸如高度限位开关、大小车限位开关、联锁电气开关等电气安全开关失效,严重威胁起重机的安全运行。
3.2 案例分析
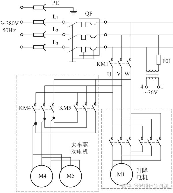
某起重机部分动力回路如图9 所示,总接触器KM1 控制动力回路供电,接触器KM4 控制大车M4 和M5 电机向北正向运行;接触器KM5 控制大车电机M4和M5 向南反向运行。而接触器的通断由其控制回路(见图10)相应的线圈得电、失电来控制。

图9 起重机部分动力回路
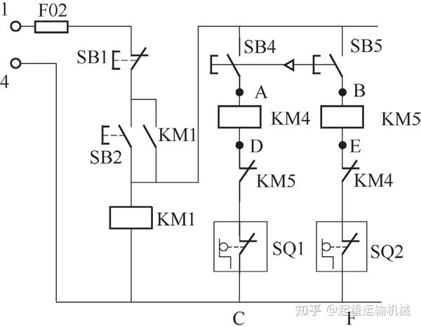
如图10 所示,当动力回路的断路器QF 合上,按下启动按钮SB2 时,总接触器KM1 线圈得电,动力回路总接触器KM1 吸合,同时总接触器KM1 触点闭合自保。此时,如果按下大车向北运行按钮SB4,则接触器KM4 线圈得电,动力回路接触器KM4 吸合,大车驱动电机M4 和M5 向北正向启动运行,运行临近行程末端时,限位开关SQ1 动作,常闭触点断开,此时大车向北运行接触器KM4 线圈失电,致使动力回路大车向北运行接触器KM4 失电而断开,从而切断大车M4 和M5电机的动力电源,停止向北运行。大车向南运行的控制与其向北运行控制类似。
为了使原副边电气绝缘,抑制高频杂波传入控制回路[8],控制回路往往采用隔离变压器供电,则其变压器副边不接地(如图10a 所示),此时若控制回路中任意单点触地,不会引起线路的异常变化;若控制回路中A(B)点与CD(FE)段之间任意一处及以上发生触地,则会引起KM4(KM5)线圈短路使线路过电流,熔断器F02 熔断而切断控制回路,防止动力装置的一切动作,显然满足规程要求;若控制回路中D(E)点与C(F)点同时触地,因为电流流经线圈,只要A(B)点不触地,就不会引起回路的过电流,熔断器F02 不会熔断,然而KM5(KM4)常闭触点和限位开关SQ1(SQ2)因处于旁路状态而失去功效。因此,大车将失去向北(南)运行的限位控制,可能造成严重事故,同时KM5(KM4)常闭触点不受线圈控制,可能烧坏电机和线路。

(a) 隔离变压器供电

(b) 普通变压器供电
图10 起重机部分控制回路
由于控制回路为安全电压,隔离变压器有效防止人员触碰单根带电导线而触电的隐患可不考虑。GB5226.1 - 2002《机械安全机械电气设备第1 部分:通用技术条件》7.2.4 要求[9],“通过变压器供电的控制电路,副边线圈一侧接保护接地电路,过电流保护器件仅要求设在另一侧电路导线上”。如果控制回路采用普通变压器(副边工作接地),并对其电路进行调整(如图10b 所示),此时线路AD(BE)段中无论哪一处或多处触地,都将引起回路过电流,使熔断器F02 熔断而切断控制回路,从而防止动力装置的一切动作。
由以上分析可知,控制回路采用普通变压器,并按GB5226.1 - 2002 要求保证变压器副边的良好接地和过电流保护,采用合理的布线方式,在一定程度上能防止动力装置的失控和保护线路,降低了安全事故风险。
4 结束语
起重机械接地保护、线路绝缘和保护对其安全运行以及人员保护意义重大。而要准确测量其接地电阻和判断阻值的符合性,首要任务就是正确判定供电系统的保护接地形式;为了确保较高的电气安全防护,良好的线路对地绝缘和合理的线路保护十分必要。
本文针对某些起重机械现场难以准确判别其供电系统保护接地形式问题,提出了测量法判别供电系统保护接地形式的方法,结合现场布线情况和测量法综合判别供电系统的保护接地形式,是准确测量接地电阻和判断接地电阻符合性的必要前提。
针对不合理的线路保护形式,分析了控制回路采用隔离变压器供电可能导致某些电气安全开关失效的风险,可采取如下措施以降低风险:
1)在对地电压为安全电压且线路较长的情况下,控制回路宜采用普通变压器供电,保证变压器副边的良好接地,并采用合理的布线方式;
2)当控制回路线路较短,并对地电压高于安全电压时,为了防止人员触碰单根带电导线而触电,抑制高频杂波对控制回路的干扰,可考虑采用隔离变压器供电,但必须保证线路对地良好的绝缘防护,采取有效措施防止线路多点故障触地和窜连其他回路。
本文对起重机供电系统保护接地形式的判别和某些控制回路线路保护的改进提供了借鉴。
参考文献
[1] TSG Q7015 - 2016 起重机械定期检验规则[S].
[2] 先强,柳光利,郭晓锋,等. 起重机械接地检验项目合理性探讨[J]. 中国特种设备安全,2015,31(2):13-19.
[3] GB 50054—2011 低压配电设计规范[S].
[4] 朱鹏. 起重机接地检验常见问题的探讨[J]. 中国特种设备安全,2018,34(5):31-37.
[5] 陈永光. 起重机漏电保护装置的检验[J]. 机电技术,2007(4):77-80.
[6] 毛销鸣. 起重机械接地保护分析——接地系统的区分和检验[J]. 电子技术与软件工程,2014(9):160.
[7] GB 6067.1 - 2010 起重机械安全规程 第1 部分: 总则[S].
[8] 朱正会. 隔离变压器在电网中的应用分析[J]. 电气技术,2013(8):80,81.
[9] GB 5226.1 - 2002 机械安全机械电气设备第1 部分: 通用技术条件[S].