
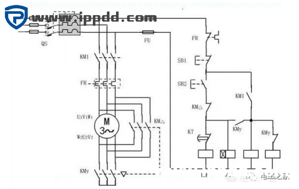
从中间切开,左边的是主线路,右边是控制线路。
控制线路
控制线路电流很小,几乎随便用多大电线都不用担心电线会烧掉。为什么呢?因为控制线路负荷是接触器的线圈,我们来看一下接触器线圈功率。

从图片可以看出,接触器线圈的视在功率为8.6VA,就按9W算吧。
3个接触器线圈加1个时间继电器线圈,一共4个线圈,控制线路的总功率4*9=32W。算下来它的工作电流连1A都不到,所以说随便选多大的线都不用担心电线因电流过大而烧毁。
不过一般建议选用1平方的铜线。因为电线截面积如果太小,压端子或者接线容易接触不牢固的;再一个就是经常开关电柜门,有些电线从配电柜接到电柜门,太细容易发生断线的问题。
星型接法和三角形接法电流计算
主线路电线截面积是我们重点要考虑的问题,我们先来看一下星形接法和三角形接法时的电流大小。如下图所示,左图是三角形接法,右图是Y型接法。

题目给出的是90KW三相电机,那么它正常运行时是三角形接法。通过电机功率公式我们算出,
1. 三角形接法
线电流(三根火线每根火线电流)的大小为:

三角型接法时,相电压=线电压=380V,线电流=√3相电流。所以相电流(通过各相线圈的电流)等于

各相线圈的阻抗为:

2. 星型接法
星型接法时,线电压=√3相电压=380V。所以,相电压等于

星型接法时,线电流=相电流,所以相电流(通过各相线圈的电流)等于

根据上面计算可以知,星型接法时线电流约为相电流的⅓,对降低电流效果很明显。
各电线电流计算
为了便于理解,我重新画了一下主线路图,并给各电缆编了号码。

根据前面计算可知,
1. 三角型接法时:
电线1、2、3的电流大小等于线电流=170A;电线4、5、6、7、8、9、10、11、12的电流大小等于相电流=98A;电线13、14、15、16的电流大小为0A。
2. 星型接法时:
电线1—6、11-16的电流大小都等于线电流=57A;电线7、8、9的电流大小为0A。
由于电线需要按照最大电流来计算,所以电线1、2、3的电流大小按170A计算,电线4、5、6、7、8、9、10、11、12的电流大小按98A计算,电线13、14、15、16的电流大小按57A计算。
电线截面积选择
主线路电线1-16都是放在配电箱内,所以可以按明线计算。根据口诀估算,如下:

口诀具体估算过程请参考我前几天写的一个文章《如何根据功率配电线?》,这里省略具体过程,直接讲结果!
根据口诀“2.5以下的乘以9 ,往上减一顺号走”,算下来16平方铝线的载流量为:16*5=80A,减去误差10为70A,比57A大一点。
根据口诀“35平方的电线乘以3.5”,算下来35平方铝线的载流量为:35*3.5=123A,减去误差10为113A,比98A大一点,但是比170A小的太多。
再试一下70平方的铝线
根据口诀“往上加一减点五“,算下来70平方铝线的载流量为:70*2.5=175A,比170A大一点。
根据口诀“高温九折铜升级”
16平方的铝线刚好和10平方的铜线载流量相等,所以57A电流选10平方的铜线足够。
35平方的铝线刚好和25平方的铜线载流量相等,所以98A电流选25平方的铜线足够。
70平方的铝线刚好和50平方的铜线载流量相等,所以170A电流选50平方的铜线足够。
总结
电线1–3号,需要50平方的铜线;电线4–12号,需要25平方的铜线;电线13–16号,需要10平方的铜线。
来源:网络,版权归原作者所有