初学者干货 | 100个PLC和传感器的工作原理动图!

PLC控制系统,Programmable Logic Controller,可编程逻辑控制器,专为工业生产设计的一种数字运算操作的电子装置,它采用一类可编程的存储器,用于其内部存储程序,执行逻辑运算,顺序控制,定时,计数与算术操作等面向用户的指令,并通过数字或模拟式输入/输出控制各种类型的机械或生产过程,是工业控制的核心部分。
自二十世纪六十年代美国推出可编程逻辑控制器(Programmable Logic Controller,PLC)取代传统继电器控制装置以来,PLC得到了快速发展,在世界各地得到了广泛应用。同时,PLC的功能也不断完善。随着计算机技术、信号处理技术、控制技术网络技术的不断发展和用户需求的不断提高,PLC在开关量处理的基础上增加了模拟量处理和运动控制等功能。今天的PLC不再局限于逻辑控制,在运动控制、过程控制等领域也发挥着十分重要的作用。来学习一下这些动图吧!
PLC顺序控制
初学者干货 | 100个PLC和传感器的工作原理动图!
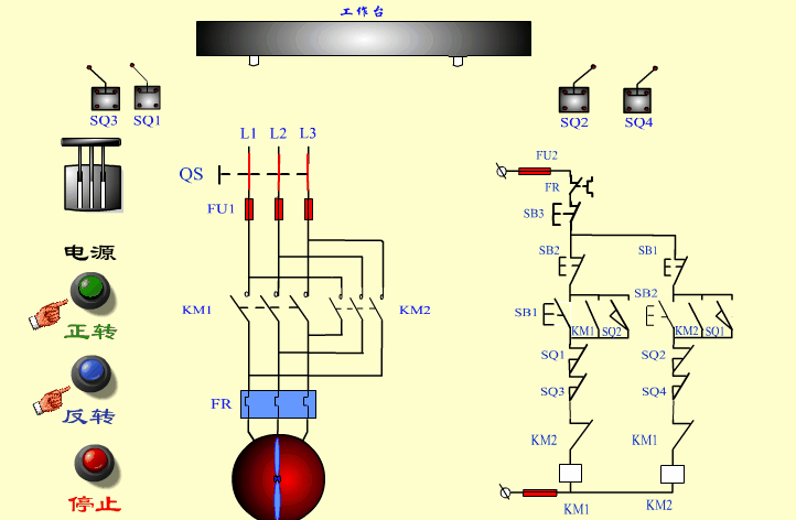
PLC正反转控制
初学者干货 | 100个PLC和传感器的工作原理动图!
按钮开关
初学者干货 | 100个PLC和传感器的工作原理动图!
冲孔加工
初学者干货 | 100个PLC和传感器的工作原理动图!
断电延时型时间继电器
初学者干货 | 100个PLC和传感器的工作原理动图!
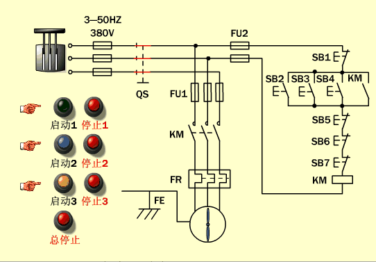
多点控制
初学者干货 | 100个PLC和传感器的工作原理动图!
滚轮式行程开关
初学者干货 | 100个PLC和传感器的工作原理动图!
交通信号灯
初学者干货 | 100个PLC和传感器的工作原理动图!
机械手
初学者干货 | 100个PLC和传感器的工作原理动图!
交流接触器
初学者干货 | 100个PLC和传感器的工作原理动图!
热继电器
初学者干货 | 100个PLC和传感器的工作原理动图!
三相闸刀
初学者干货 | 100个PLC和传感器的工作原理动图!
时间继电器
初学者干货 | 100个PLC和传感器的工作原理动图!
手动控制
初学者干货 | 100个PLC和传感器的工作原理动图!
速度继电器
初学者干货 | 100个PLC和传感器的工作原理动图!
星三角启动
初学者干货 | 100个PLC和传感器的工作原理动图!
异步电动机转动原理
初学者干货 | 100个PLC和传感器的工作原理动图!
自动往返控制
初学者干货 | 100个PLC和传感器的工作原理动图!
传感器工作原理动图
初学者干货 | 100个PLC和传感器的工作原理动图!
初学者干货 | 100个PLC和传感器的工作原理动图!
初学者干货 | 100个PLC和传感器的工作原理动图!
初学者干货 | 100个PLC和传感器的工作原理动图!
初学者干货 | 100个PLC和传感器的工作原理动图!
初学者干货 | 100个PLC和传感器的工作原理动图!
初学者干货 | 100个PLC和传感器的工作原理动图!
初学者干货 | 100个PLC和传感器的工作原理动图!
初学者干货 | 100个PLC和传感器的工作原理动图!
初学者干货 | 100个PLC和传感器的工作原理动图!
初学者干货 | 100个PLC和传感器的工作原理动图!
初学者干货 | 100个PLC和传感器的工作原理动图!
初学者干货 | 100个PLC和传感器的工作原理动图!
初学者干货 | 100个PLC和传感器的工作原理动图! section>
初学者干货 | 100个PLC和传感器的工作原理动图!
初学者干货 | 100个PLC和传感器的工作原理动图!
初学者干货 | 100个PLC和传感器的工作原理动图!
初学者干货 | 100个PLC和传感器的工作原理动图!
初学者干货 | 100个PLC和传感器的工作原理动图!
初学者干货 | 100个PLC和传感器的工作原理动图!
初学者干货 | 100个PLC和传感器的工作原理动图!
初学者干货 | 100个PLC和传感器的工作原理动图!
初学者干货 | 100个PLC和传感器的工作原理动图!
初学者干货 | 100个PLC和传感器的工作原理动图!
初学者干货 | 100个PLC和传感器的工作原理动图!
初学者干货 | 100个PLC和传感器的工作原理动图!
初学者干货 | 100个PLC和传感器的工作原理动图!
初学者干货 | 100个PLC和传感器的工作原理动图!
初学者干货 | 100个PLC和传感器的工作原理动图!
初学者干货 | 100个PLC和传感器的工作原理动图!
初学者干货 | 100个PLC和传感器的工作原理动图!
初学者干货 | 100个PLC和传感器的工作原理动图!
初学者干货 | 100个PLC和传感器的工作原理动图!
初学者干货 | 100个PLC和传感器的工作原理动图!
初学者干货 | 100个PLC和传感器的工作原理动图!
初学者干货 | 100个PLC和传感器的工作原理动图!
初学者干货 | 100个PLC和传感器的工作原理动图!
初学者干货 | 100个PLC和传感器的工作原理动图!
初学者干货 | 100个PLC和传感器的工作原理动图!
初学者干货 | 100个PLC和传感器的工作原理动图!
初学者干货 | 100个PLC和传感器的工作原理动图!
初学者干货 | 100个PLC和传感器的工作原理动图!
初学者干货 | 100个PLC和传感器的工作原理动图!
初学者干货 | 100个PLC和传感器的工作原理动图!
初学者干货 | 100个PLC和传感器的工作原理动图!
初学者干货 | 100个PLC和传感器的工作原理动图!
初学者干货 | 100个PLC和传感器的工作原理动图!
初学者干货 | 100个PLC和传感器的工作原理动图!
初学者干货 | 100个PLC和传感器的工作原理动图!
初学者干货 | 100个PLC和传感器的工作原理动图!
初学者干货 | 100个PLC和传感器的工作原理动图!
初学者干货 | 100个PLC和传感器的工作原理动图!
初学者干货 | 100个PLC和传感器的工作原理动图!
初学者干货 | 100个PLC和传感器的工作原理动图!
初学者干货 | 100个PLC和传感器的工作原理动图!
初学者干货 | 100个PLC和传感器的工作原理动图!
初学者干货 | 100个PLC和传感器的工作原理动图!
初学者干货 | 100个PLC和传感器的工作原理动图!
初学者干货 | 100个PLC和传感器的工作原理动图!
初学者干货 | 100个PLC和传感器的工作原理动图!
初学者干货 | 100个PLC和传感器的工作原理动图!
初学者干货 | 100个PLC和传感器的工作原理动图!
初学者干货 | 100个PLC和传感器的工作原理动图!
初学者干货 | 100个PLC和传感器的工作原理动图!
初学者干货 | 100个PLC和传感器的工作原理动图!
初学者干货 | 100个PLC和传感器的工作原理动图!
初学者干货 | 100个PLC和传感器的工作原理动图!
初学者干货 | 100个PLC和传感器的工作原理动图!
初学者干货 | 100个PLC和传感器的工作原理动图!
初学者干货 | 100个PLC和传感器的工作原理动图!
初学者干货 | 100个PLC和传感器的工作原理动图!
初学者干货 | 100个PLC和传感器的工作原理动图!
初学者干货 | 100个PLC和传感器的工作原理动图!
初学者干货 | 100个PLC和传感器的工作原理动图!
初学者干货 | 100个PLC和传感器的工作原理动图!
初学者干货 | 100个PLC和传感器的工作原理动图!
初学者干货 | 100个PLC和传感器的工作原理动图!
初学者干货 | 100个PLC和传感器的工作原理动图!
初学者干货 | 100个PLC和传感器的工作原理动图!

文章来源网络,版权归原作者所有,如有侵权请联系删除。

声明:本站所有文章,如无特殊说明或标注,均为本站原创发布。任何个人或组织,在未征得本站同意时,禁止复制、盗用、采集、发布本站内容到任何网站、书籍等各类媒体平台。如若本站内容侵犯了原著者的合法权益,可联系我们进行处理。
电气技术

西门子PLC | 一个接触器引发的故障,让几位电气工程师都摸不着头脑

2022-5-31 21:55:10

电气技术

让你秒懂的PLC程序阅读技巧

2022-6-1 23:43:31

个人中心
购物车
优惠劵
今日签到
有新私信 私信列表
搜索