很多电气的朋友问:二次原理图和二次控制回路是一样的吗?其实所谓的二次原理图是指对主回路(一次系统设备)的控制、指示、计量用的原理图。二次原理图包括了二次控制回路图。如CT的二次回路图也是二次原理图,但是并不是控制回路图。那么二次控制原理图如何识图与绘制呢,下面我们一起来学习一下吧。
(1)二次原理接线图的定义
电气二次原理接线图是用来表示二次接线各元件(仪表、继电器、信号装置、自动装置及控制开关等设备)的电气联系及工作原理的电气回路图。
(2)二次原理接线图的画法
1. 整体式画法
整体式画法将二次设备以较为形象的整体形式表示(线圈与触点画在一起),主要体现构成整套装置所需的二次设备及相互接线关系。
优点:能表明各二次设备的构成、数量及电气连接情况,图形直观形象,便于设计构思和记忆。
缺点:不便于阅读和理解其工作原理。

2. 展开式画法
展开式画法是以电气回路为基础,将继电器整个元件的线圈、触点按保护动作的顺序,自左而右,自上而下绘制的接线展开图。其特点是分别绘制电源回路、主电路、控制电路、信号电路等回路。电气设计在线教学狄老师;各继电器的线圈和触点也分开,分别画在它们各自所属的回路中,并且属于同一个继电器或元件的所有部件都应注明同样的符号。
优点:接线清晰、易于阅读,便于了解整套装置的动作程序和工作原理,特别是在表现一些复杂装置时,其优点更为突出。
1)电源回路
每台电动机应有各自的控制电源。并宜接自本台电动机主回路隔离保护电器之后、控制电器之前。这是因为如果多台电动机共用同一路控制电源。则各台电动机的控制回路就不能分割,既不能独立安全检修,而且一旦故障还将同时停机,造成更大损失。
控制电源应装设隔离电器和短路保护电器。隔离和短路保护电器可选用螺旋式熔断器或带隔离功能的微型断路器。应装设控制电源指示灯。
2)控制回路
控制回路一般是由开关、按钮、信号指示,以及接触器、继电器的线圈和各种辅助触点构成,无论简单或复杂的控制回路,一般均是由各种典型控制电路(如延时电路、联锁电路、顺控电路等)组成。
电动机的启动控制电路是其控制电路的主要组成部分。电动机常用的启动方式有全压启动、降压启动和软启变频启动。常用的降压启动方式有星―三角降压启动和自耦变压器降压启动。
3)信号回路
信号回路设计是各种电气设备能否实现自动控制的关键。信号回路可分为控制信号和反馈信号两类:控制信号回路就是接受各种外部控制指令,对电动机实现控制:反馈信号回路则是通过接通各种声光信号。反映电动机的各种状态。

控制信号:
民用建筑中的风机、水泵的自动控制信号一般由楼宇自控系统(BAS)的DDC控制器或火灾自动报警联动系统(FAS)控制器发出,当为有源信号,只需将其接入信号回路的中间继电器线圈即可。需要注意的是火灾自动报警联动系统控制器输出的有源控制信号是直流24 V。而DDC控制器输出的有源控制信号一般是交流24 V.因此要根据控制信号的电压类型正确选择继电器。对于无源机械触点控制信号,例如消火栓启泵按钮、湿式报警阀压力开关、液位器、防排烟阀联动机构等,则应由信号回路提供信号电源。
反馈信号:
各种电气设备的运行、故障等状态信号是通过主回路上的接触器、热继电器等控制保护电器的辅助触头的动作来接通信号灯等信号回路,有外部控制器的应提供干接点反馈信号。例如由楼宇自控系统控制的机电设备应提供设备运行、故障及手/自动状态等反馈信号。这里有一个容易忽视的问题,有些设计(包括标准图集)直接利用主回路接触器的辅助触头作为外部反馈信号,电气设计在线教学狄老师;这种做法有将高电位引入DDC控制器或消防联动控制设备的危险。因为接触器的辅助触头通常装在主触头旁,当主触头分断感性负载电路(特别是大容量电动机)时,会产生电弧,强烈的电弧产生的电磁干扰会在辅助触头构成的二次回路中产生较高的感应电势。干扰甚至烧毁二次回路中的电子器件。
4)二次回路线号及端子排图
二次接线图中每一个电气接点都应有接线编号,这是为了便于施工接线和查找故障点。每一个接点的接线编号都是唯一的(至少在本张图中),线号的编写通常是从上至下、由左至右依次编写,编号可依次递增。如编号的起始数字,控制回路从阿拉伯数字“1”开始.其它辅助电路可依次递增为“101、201⋯⋯”作为起始数字,以示区别。如消防联动的信号回路由“101”起编.BAS系统的控制信号回路由“201”起编。
所有的外接控制和反馈信号都应接至端子排上,端子排图应注明接线编号以及控制箱内所连接的电器元件标号。
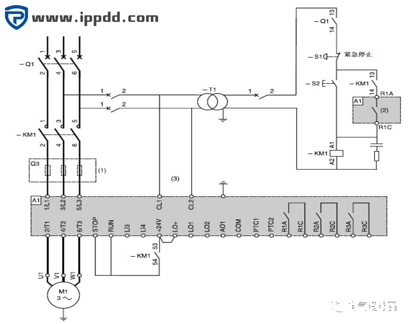
(3)电路原理图绘制方法及原则
1. 在电路图中,主电路、电源电路、控制电路、信号电路分开绘制。无论是主电路还是辅助电路,各电器元件一般应按生产设备动作的先后动作顺序从上到下或从左到右依次排列,可水平布置或垂直布置。
2. 所有电器的开关和触点的状态,均以线圈未通电状态;手柄置于零位;行程开关、按钮等的接点不受外力状态;生产机械为开始位置。
3. 同一电器各导电部分常常不画在一起,但各部分的符号均需保持一致。
(4)简单常见的电路原理图举例

直接启动原理图
说明:控制柜控制回路根据转换开关所在位置的不同,有不同的启动方式。
1. 转换开关处于手动位置时,可以通过手动按启动,停止按钮来实现泵的启动和停止。
2. 转换开关处于停止位置时,泵不可以启动,此时可以安全的进行设备的检修。
3. 转换开关处于自动位置时,可以通过现场电接点温度信号实现泵的启动和停止。

直接启动一用一备原理图

直接启动一用一备原理图
说明:控制柜控制回路根据转换开关所在位置的不同,有不同的启动方式。
1. 转换开关处于手动时,可以分别通过手动按启动,停止按钮来实现两台泵的启动和停止。
2. 转换开关处于用1#备2#时,可以通过远程DDC信号或者现场电接点温度信号实现1#泵的启动和停止;1#泵启动时,2#泵处于备用状态中,电气设计在线教学狄老师;如1#泵过载或者出现其他问题停止,2#泵会自动投入。
3. 转换开关处于用2#备1#时,可以通过远程DDC信号或者现场电接点温度信号实现2#泵的启动和停止;2#泵启动时,1#泵处于备用状态中,如2#泵过载或者出现其他问题停止,1#泵会自动投入。

星三角一用一备原理图

星三角一用一备原理图

星三角一用一备原理图
说明:控制柜控制回路根据转换开关所在位置的不同,有不同的启动方式。
1. 当SAC1和SAC2转换开关均处于手动位置时,两台泵可以分别通过手动按启动,停止按钮来实现泵的启动和停止。
2. 当SAC1转换开关处于自动位置,SAC2转换开关处于备用位置时,可以通过远程DDC信号或者现场电接点温度信号实现其中1#泵的启动和停止;2#泵处于备用状态,如1#泵过载或者出现其他问题停止,2#泵会自动投入。
3. 当SAC2转换开关处于自动位置,SAC1转换开关处于备用位置时,可以通过远程DDC信号或者现场电接点温度信号实现其中2#泵的启动和停止;1#泵处于备用状态,如2#泵过载或者出现其他问题停止,1#泵会自动投入。
(5)二次控制原理图识图与绘制总结
二次回路图的逻辑性很强,希望大家以后在识图和绘制时多留心二次回路图遵循着的规律,抓住这些规律就能很容易的看懂。
本篇文章来源于微信公众号:港口技术安全