电气自动化作为电气信息领域的新兴学科,与人们的日常生活活动以及工业生产有着密切联系。在生产工作时,通过运用电气自动化设计可以有效的提高工作效率,节省运作成本,有效的发挥劳动力的作用。
为了更加形象、直观地学习并应用电气自动控制系统,本文整理了28个电气自动控制电路图的实例,以供参考。
单相照明双路互备自投供电电路

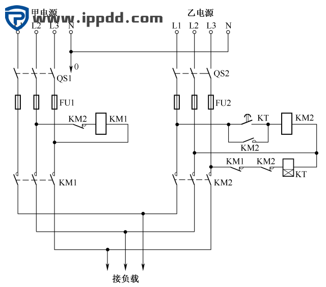
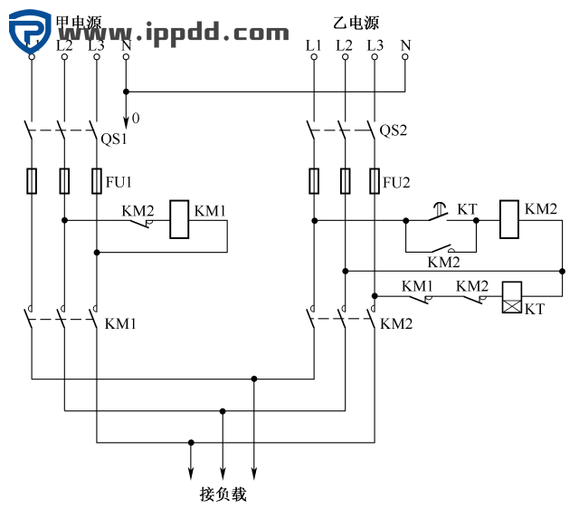
双路三相电源自投电路

茶炉水加热自动控制电路

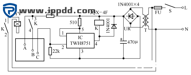
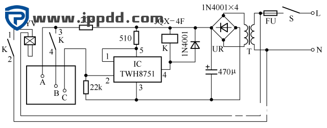
简单的温度控制器电路

简易晶闸管温度自动控制电路

用双向晶闸管控制温度电路

XCT-101动圈式温度调节仪控温电路

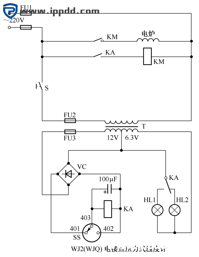
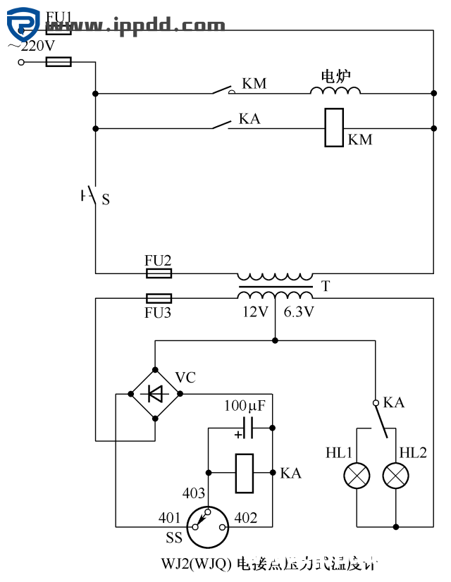
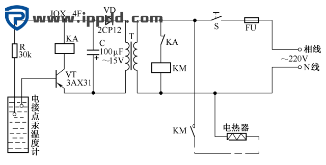
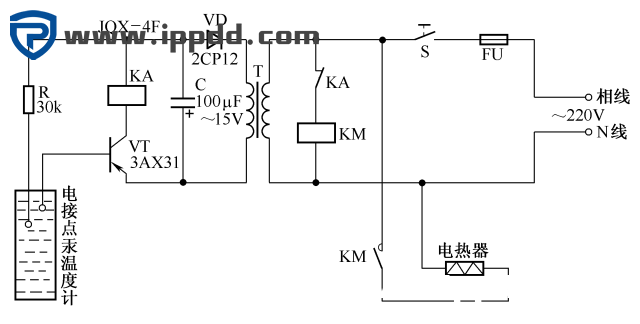
电接点压力式温度表控温电路

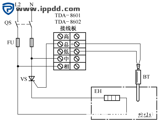
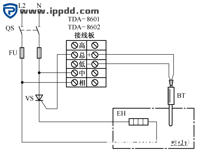
TDA-8601型温度指示调节仪控温电路

XMT-DA数字显示调节仪控温电路

△/Y变换的炉温控制电路

简易温度控制电路

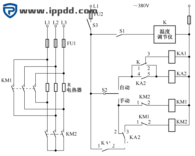
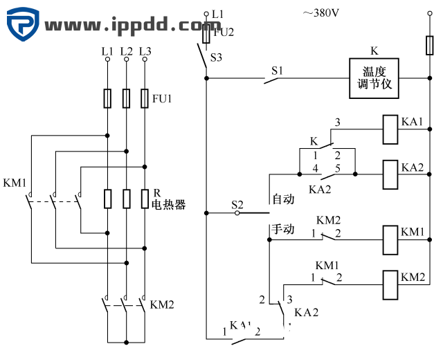
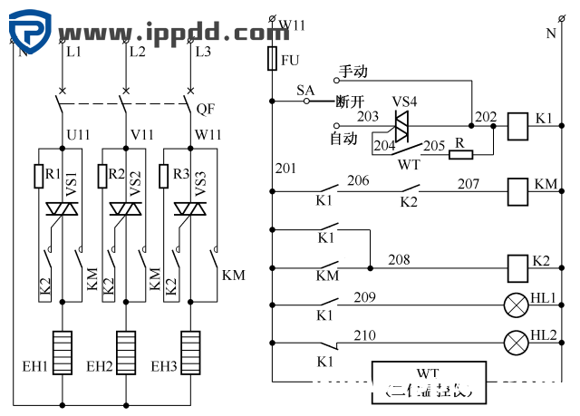
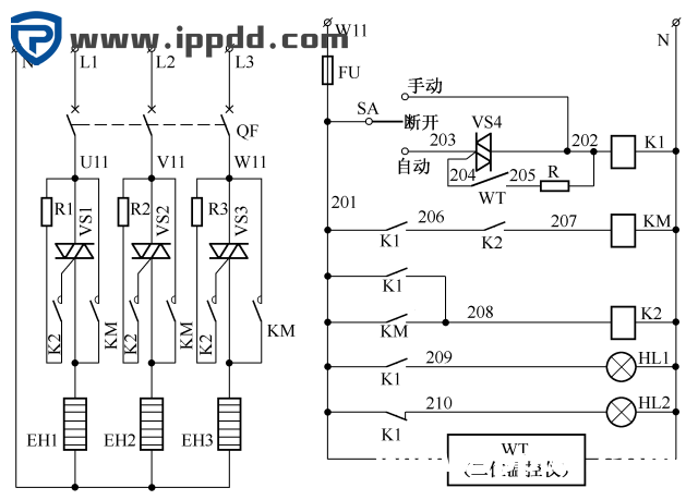
双功能三相电阻加热炉控制电路

自动气体循环炉控温电路

喷水池自动喷水控制电路

自动节水电路

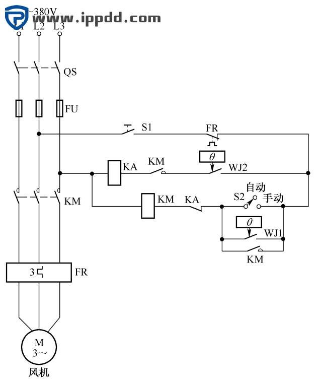
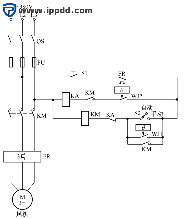
电力变压器自动风冷电路

用电接点压力表做水位控制电路

UQK-2型浮球液位变送器接线电路

UQK型液位变送器(旧型号GSK)接线电





GDB型双池液位控制器电路

供水、排水应用电路

简易水位自动控制电路

全自动水位控制水箱放水电路

改进的水位自动控制电路

大型水塔自动控制供水电路

高位停低位开的自动控制电路

排气扇自动控制电路

本篇文章来源于微信公众号:港口技术安全