1. 总体要求
★ 施工现场配电系统应采用三级配电、二级漏电保护系统;
★ 用电设备必须有各自专用的开关箱;
★ 漏电保护器参数应匹配并灵敏可靠;
★ 总配电箱与开关箱应安装漏电保护器分配电箱与开关箱、开关箱与用电设备的距离应符合规范要求;
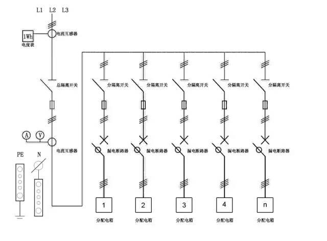
三级配电、二级漏电保护系统参考图例
2. 总配电箱设置
★ 箱体结构、箱内电器设置及使用应符合规范要求。
★ 配电箱、开关箱电器可靠、完好,进出线整齐。
设置要求:
1、总配电箱以下可设若干分配电箱,分配电箱以下可设若干开关箱;总配电箱应设在靠近电源的区域,分配电箱应设在用电设备或负荷相对集中的区域,分配电箱与开关箱的距离不得超过30m,开关箱与其控制的固定式用电设备的水平距离不宜超过3m。(JGJ46-2005第8.1.2条)
2、开关箱中漏电保护器的额定漏电动作电流不应大于30mA,额定漏电动作时间不应大于0.1s;使用于潮湿和有腐蚀介质场所的漏电保护器应采用防溅型产品,其额定漏电动作电流不应大于15mA,额定漏电动作时间不应大于0.1s。(JGJ46-2005第8.2.10条)
3、总配电箱中漏电保护器的额定漏电动作电流应大于30mA,额定漏电动作时间应大于0.1s,但其额定漏电动作电流与额定漏电动作时间的乘积不应大于30mA•s。(JGJ46-20058.2.11)
3. 分配电箱、开关箱设置
★ 箱体结构、箱内电器设置及使用应符合规范要求。
★ 配电箱、开关箱电器可靠、完好,进出线整齐。
开关箱示意图
设置要求:
1、配电箱、开关箱应采用冷轧钢板或阻燃绝缘材料制作,钢板厚度应为1.2~2.0mm,其中开关箱箱体钢板厚度不得小于1.2mm,配电箱箱体钢板厚度不得小于1.5mm,箱体表面应做防腐处理。(JGJ46-2005第8.1.7条)
2、配电箱、开关箱的进、出线口应配置固定线卡,进出线应加绝缘护套并成束卡固在箱体上,不得与箱体直接接触。移动式配电箱、开关箱的进、出线应采用橡皮护套绝缘电缆,不得有接头(JGJ46-2005第8.1.16条)
3、配电箱、开关箱外形结构应能防雨、防尘。(JGJ46-2005第8.1.17条)
4、配电箱、开关箱内的电器必须可靠、完好,严禁使用破损不合格的电器。(JGJ46-2005第8.2.1条)
5、总配电箱的电器具备电源隔离,正常接通与分断电路,以及短路、过载、漏电保护功能。(JGJ46-2005第8.2.2条)
6、当总路设置总漏电保护器时,还应装设总隔离开关、分路隔离开关以及总断路器、分路断路器或总熔断器、分路熔断器。当所设总漏电保护器同时具备短路过载漏电保护功能的漏电断路器时,可不设总断路器或总熔断器。(JGJ46-2005第8.2.2条)
7、当各分路设置分路漏电保护器时,还应装设总隔离开关、分路隔离开关以及总断路器、分路断路器或总熔断器、分路熔断器。当分路所设漏电保护器是同时具备短路、过载、漏电保护功能的漏电断路器时,可不设分路断路器或分路熔断器。(JGJ46-2005第8.2.2条)
8、熔断器应选用具有可靠灭弧分断功能的产品。(JGJ46-2005第8.2.2条)
9、总开关电器的额定值、动作整定值应与分路开关电器的额定值、动作整定值相适应。(JGJ46-2005第8.2.2条)
10、总配电箱应装设电压表、总电流表、电度表及其他需要的仪表。装设电流互感器时,其二次回路必须与保护零线有一个连接点,且严禁断开电路。(JGJ46-2005第8.2.3条)
11、分配电箱应装设总隔离开关、分路隔离开关以及总断路器、分路断路器或总熔断器、分路熔断器。其设置和选择应符合前面总配电箱的要求(JGJ46-2005第8.2.4条)
12、开关箱必须装设隔离开关、断路器或熔断器,以及漏电保护器。(JGJ46-2005第8.2.5条)
13、配电箱、开关箱的电源进线端严禁采用插头和插座活动连接。(JGJ46-2005第8.2.15条)
14、对配电箱,开关箱进行定期检查、维修时,必须将其前一级相应的电源隔离开关分闸断电,并悬挂“禁止合闸、有人工作”停电标志牌,严禁带电作业。(JGJ46-2005第8.3.4条)
4. 其他安装注意事项
隔离开关箱设置要求:
隔离开关应设置于电源进线端,应采用分断时具有可见分断点,并能同时断开电源所有极的隔离电器。如采用分断时具有可见分断点的断路器,可不另设隔离开关。(JGJ46-2005第8.2.2条)
★ 配电箱必须分设工作零线零线端子板的设置及连接应符合规范要求。
设置要求:
配电箱的电器安装板上必须设N线端子和PE线端子板。N线端子板必须与金属电器安装板绝缘;PE线端子板必须与金属电器安装板做电器连接。
进出线中的N线必须通过N线端子板连接;PE线必须通过PE线端子板连接。(JGJ46-2005第8.1.11条)
★ 箱体安装位置、高度及周边通道应符合规范要求。
设置要求:
1、配电箱、开关箱应装设在干燥通风及常温场所。(JGJ46-2005第8.1.5条)
2、配电箱、开关箱周围应有足够2人同时工作的空间和通道,不得堆放任何妨碍操作、维修的物品;不得有灌木杂草。(JGJ46-2005第8.1.6条)
3、配电箱、开关箱应装设端正、牢固;固定式配电箱、开关箱的中心点与地面的垂直距离应为1.4~1.6m;移动式配电箱、开关箱应装设在坚固的支架上,其中心点与地面的垂直距离宜为0.8~1.6m。(JGJ46-2005第8.1.8条)
★ 箱体应设置系统接线图和分路标记;
★ 箱体应设有门、锁及防雨措施。
设置要求:
1、配电箱、开关箱应有名称、用途、分路标记及系统接线图。(JGJ46-2005第8.3.1条)
2、配电箱、开关箱箱门应配锁,并应由专人负责。(JGJ46-2005第8.3.2)
本篇文章来源于微信公众号:港口技术安全












