视频播放说明:
本视频为作者提供,因此采用外链形式提供给大家,大家点击图片即可跳转至视频播放页面。
今天小编为大家挑选了三个常见典型实例,如果有条件的,大家可以跟着一起接上试试。
1.供水电路的自动化控制

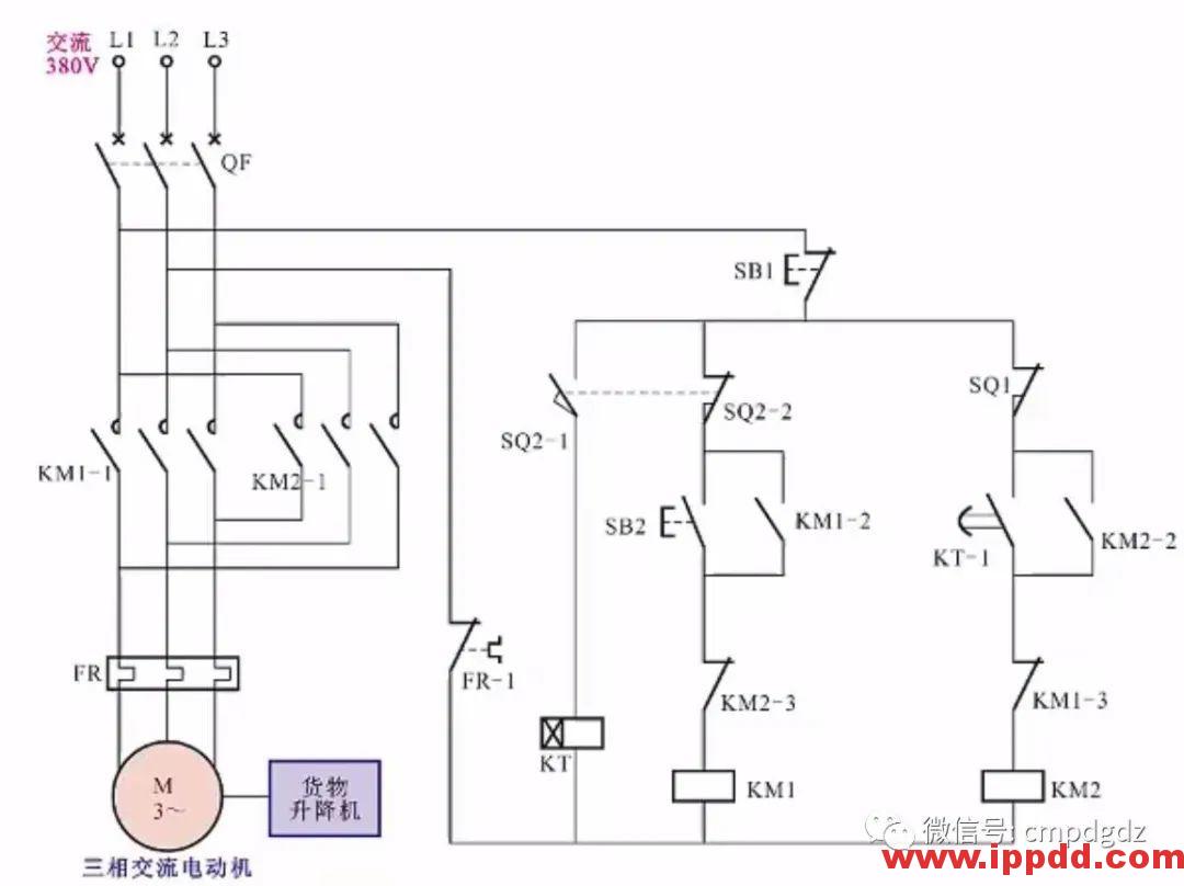
2.货物升降机电路的自动化控制

3.禽蛋孵化恒温箱的控制

END
视频播放说明:
本视频为作者提供,因此采用外链形式提供给大家,大家点击图片即可跳转至视频播放页面。
今天小编为大家挑选了三个常见典型实例,如果有条件的,大家可以跟着一起接上试试。
1.供水电路的自动化控制

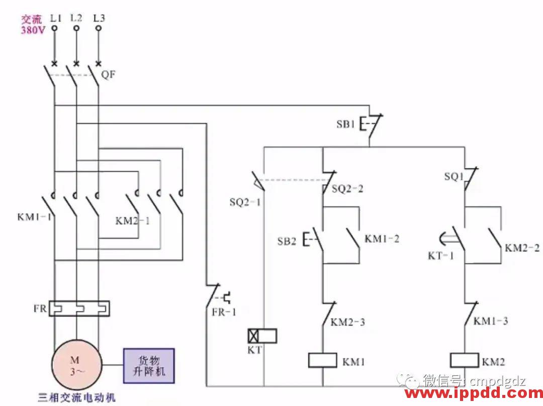
2.货物升降机电路的自动化控制

3.禽蛋孵化恒温箱的控制

END
之前