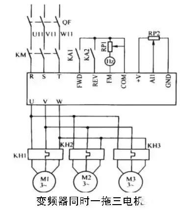
一台变频器同时带几台甚至几十台电机,所有电机的速度都由同一台变频器的输出频率控制,理论上所有电机的速度是一致的,并且能保证同时升速与降速。
但是由于电机制造上的差异,或者电机所带负载大小的不同,每台电机的实际运行速度是有差异的,并且系统内没有纠正这种差异的机制,也无法安装纠正差异的机构,所以在一些设备之间没有连接的场合,这种控制方法肯定会产生积累误差。

把变频器看成供电电源,在一些刚性连接的系统中,运转得稍快的电机,负载会重;而运转得稍慢的电机负载会轻。但因是同一个变频器驱动,负载重的转差率变大,负载轻的转差率变小,这样就会有一定的自动纠正能力,最终会使各台电机保持同步运行,但是负载分配是不均匀的,一般在选择电机时要把电机功率放大一级。
一台变频器同时拖动多台电机时应注意如下问题。
注意事项一
所带电机的功率不能差异太大,一般不要相差二个功率等级以上。

注:电机功率等级有很多,一般的有0.15、0.22、0.37、0.55、0.75、1.1、1.5、2.2、3,4、5.5、7.5、11、15、18.5、22、30、37、45、55、75、90、110、132、160、200、250、290、315、355、400、500、600、800、1000,再往上一般是高压电机了。
注意事项二
电机最好是同一个厂家生产制造,如果是同功率的电机,最好是同一批次的,以保证电机特性的一致,最大程度使电机的转差率(定子旋转磁场转速与转子转速之差)一致,以保证良好的同步性能。
注意事项三
充分考虑电机电缆的长度,电缆越长,电缆之间或电缆对地之间的电容也越大,变频器的输出电压含有丰富的高次谐波,所以会形成高频电容接地电流,对变频器的运行产生影响。
电缆的长度以接在变频器后的所有电缆的总长度计算。保证电缆的总长度在变频器允许的范围。必要的时候,应在变频器的输出端安装输出电抗器或输出滤波器。
注意事项四
变频器一拖几只能工作于V/F控制方式(相对于矢量控制方式),并且选择合适的V/F曲线。变频器的额定工作电流应大于所有电机额定电流的总和的1.2倍以上。

注意事项五
为了保护电机,每台电机前应安装热继电器,不推荐安装空气开关。这样在电机过载时可以不断开主回路,避免在变频器运行中断开主回路时对变频器本身的影响。
注意事项六
对于需要快速制动的应用场合,为了防止停止时产生过电压,应加制动单元和制动电阻;有的小功率的变频器已内置制动单元,因此只需接制动电阻即可。
免责声明:本文系网络转载或改编,版权归原作者所有。如涉及版权,请联系删除





