变频器控制电动机正反转电路及参数设置
在控制电动机正反转时要给变频器设置一些基本参数,具体如下表:
|
参数名称 |
参数号 |
设置值 |
|
加速时间 |
Pr.7 |
5s |
|
减速时间 |
Pr.8 |
3s |
|
加减速基准频率 |
Pr.20 |
50Hz |
|
基底频率 |
Pr.3 |
50Hz |
|
上限频率 |
Pr.1 |
50Hz |
|
下限频率 |
Pr.2 |
0Hz |
|
运行模式 |
Pr.79 |
2 |
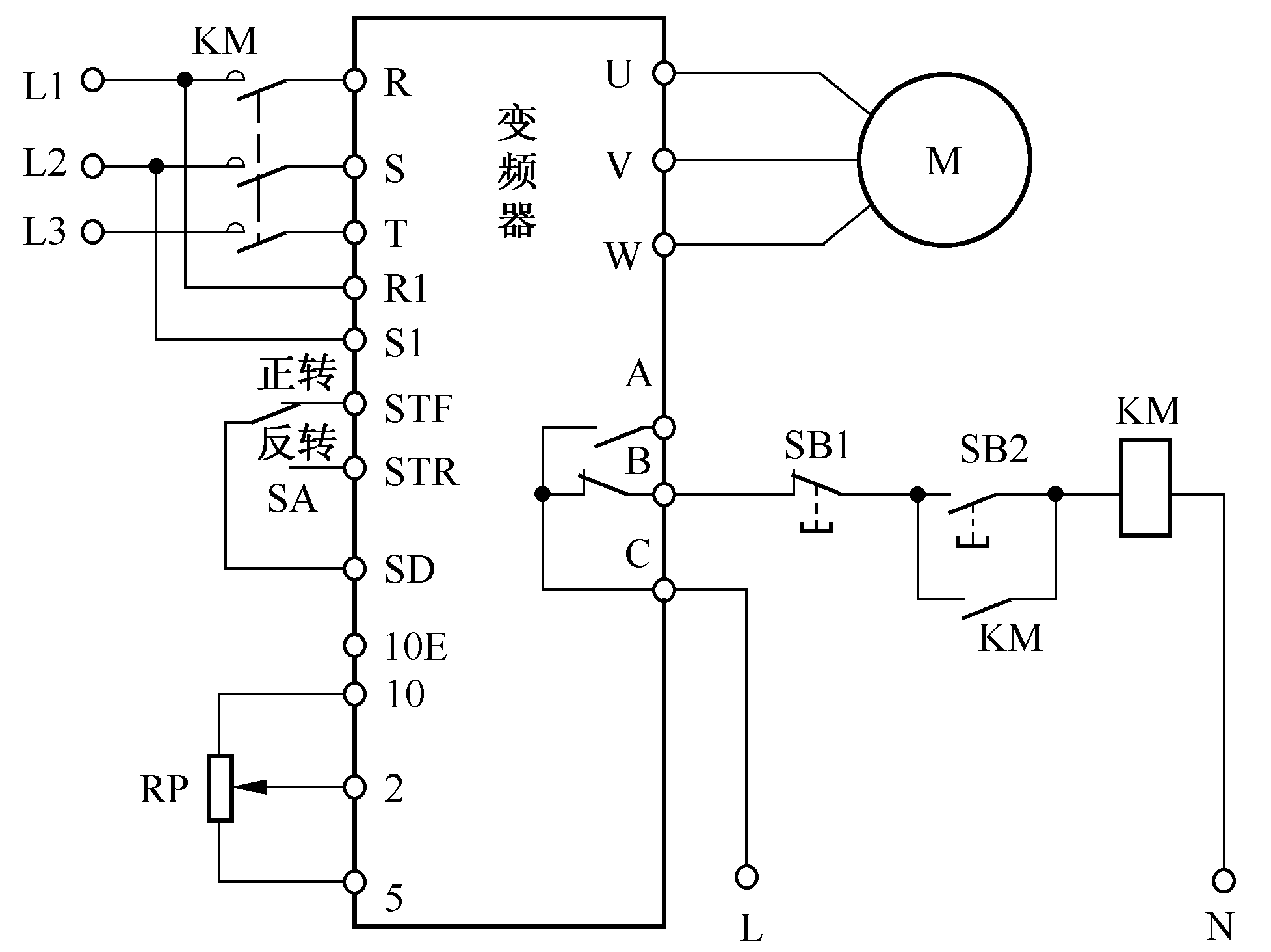
1.开关控制正、反转控制电路
采用了一个三位开关SA,SA有“正转”、“停止”和“反转”3个位置。
(工作过程说明已省略)

该电路结构简单,缺点是在变频器正常工作时操作SB1可切断输入主电源,这样易损坏变频器。
2.继电器控制正、反转控制电路
采用了KA1、KA2继电器分别进行正转和反转控制。
(工作过程说明已省略)

KA1或KA2常开触点闭合将SB1短接,断开SB1无效,这样做可以避免在变频器工作时切断主电源。
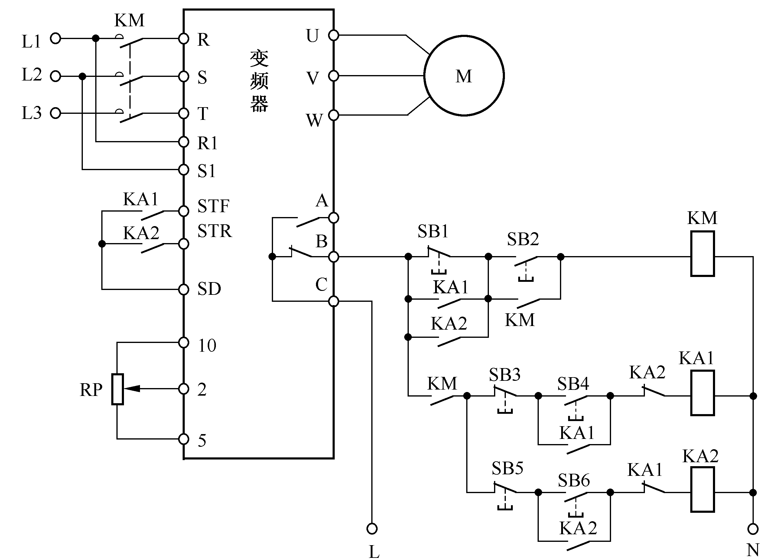
变频器工频与变频切换电路及参数设置
在变频调速系统运行过程中,如果变频器突然出现故障,这时若让负载停止工作可能会造成很大损失。为了解决这个问题,可给变频调速系统增设工频与变频切换功能,在变频器出现故障时自动将工频电源切换给电动机,以让系统继续工作。
1.变频器跳闸保护电路
变频器A、B、C端子为异常输出端,A、C之间相当于一个常开开关,B、C之间相当一个常闭开关,在变频器工作出现异常时,A、C接通,B、C断开。
(工作过程说明已省略)

一种常见的变频器跳闸保护电路
2.工频与变频的切换电路

一个典型的工频与变频切换控制电路
在工作前需要先对一些参数进行设置。
(工作过程说明已省略)
1)工频与变频切换功能设置
|
参数与设置值 |
功能 |
设置值范围 |
说明 |
|
Pr.135 (Pr.135=1) |
工频-变频切换选择 |
0 |
切换功能无效。Pr.136、Pr.137、Pr.138和Pr.139参数设置无效 |
|
1 |
切换功能有效 |
||
|
Pr.136 (Pr.136=0.3) |
继电器切换互锁时间 |
0~100.0s |
设定KA2和KA3动作的互锁时间 |
|
Pr.137 (Pr.137=0.5) |
启动等待时间 |
0~100.0s |
设定时间应比信号输入到变频器时到KA3实际接通的时间稍微长点(为0.3~0.5s) |
|
Pr.138 (Pr.138=1) |
报警时的工频-变频切换选择 |
0 |
切换无效。当变频器发生故障时,变频器停止输出(KA2和KA3断开) |
|
1 |
切换有效。当变频器发生故障时,变频器停止运行并自动切换到工频电源运行(KA2:ON,KA3:OFF) |
||
|
Pr.139 (Pr.139=9999) |
自动变频-工频电源切换选择 |
0~60.0Hz |
当变频器输出频率达到或超过设定频率时,会自动切换到工频电源运行 |
|
9999 |
不能自动切换 |
2)部分输入/输出端子的功能设置
|
参数与设置值 |
功能说明 |
|
Pr.185=7 |
将JOG端子功能设置成OH端子,用作过热保护输入端 |
|
Pr.186=6 |
将CS端子设置成自动再启动控制端子 |
|
Pr.192=17 |
将IPF端子设置成KA1控制端子 |
|
Pr.193=18 |
将OL端子设置成KA2控制端子 |
|
Pr.194=19 |
将FU端子设置成KA3控制端子 |
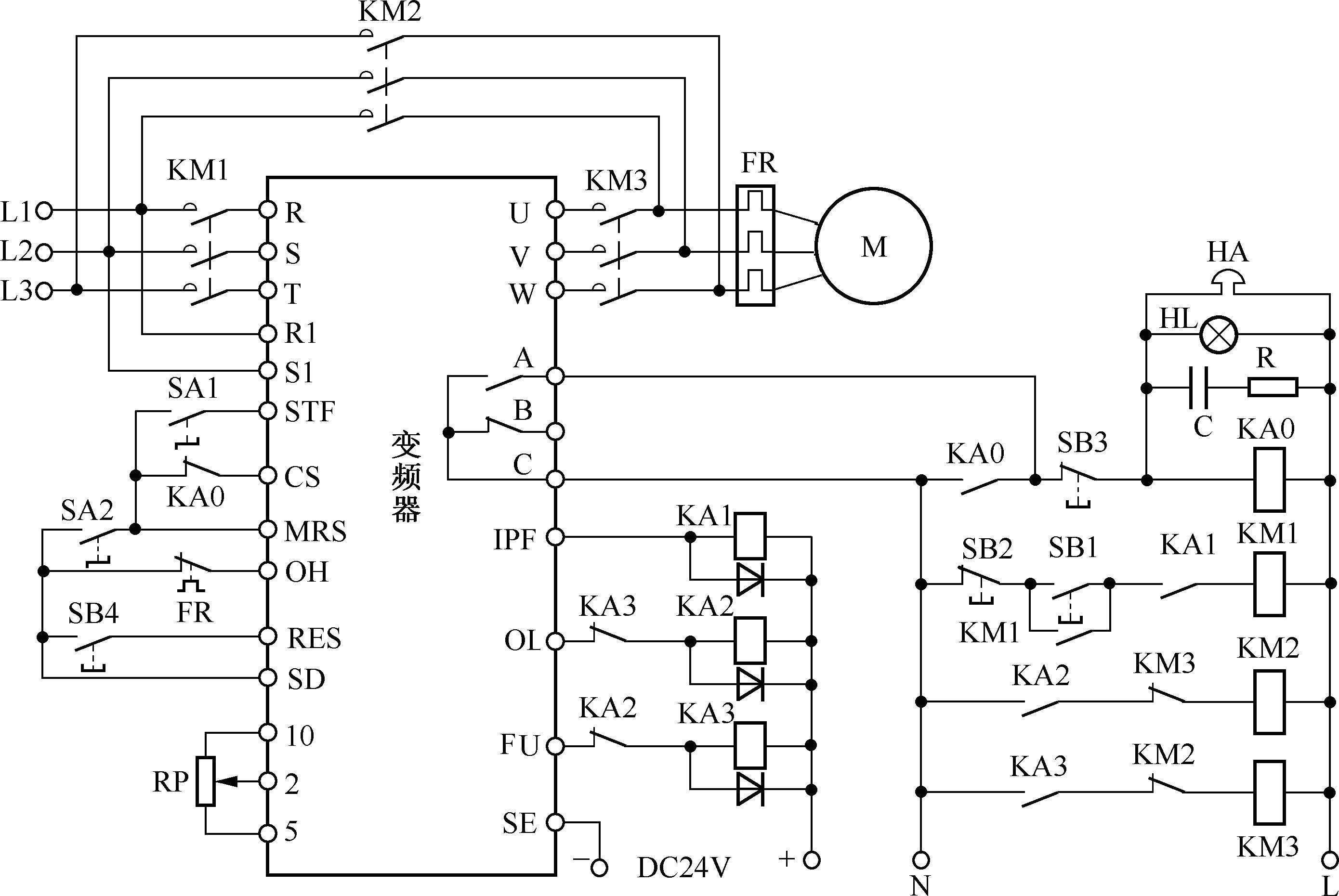
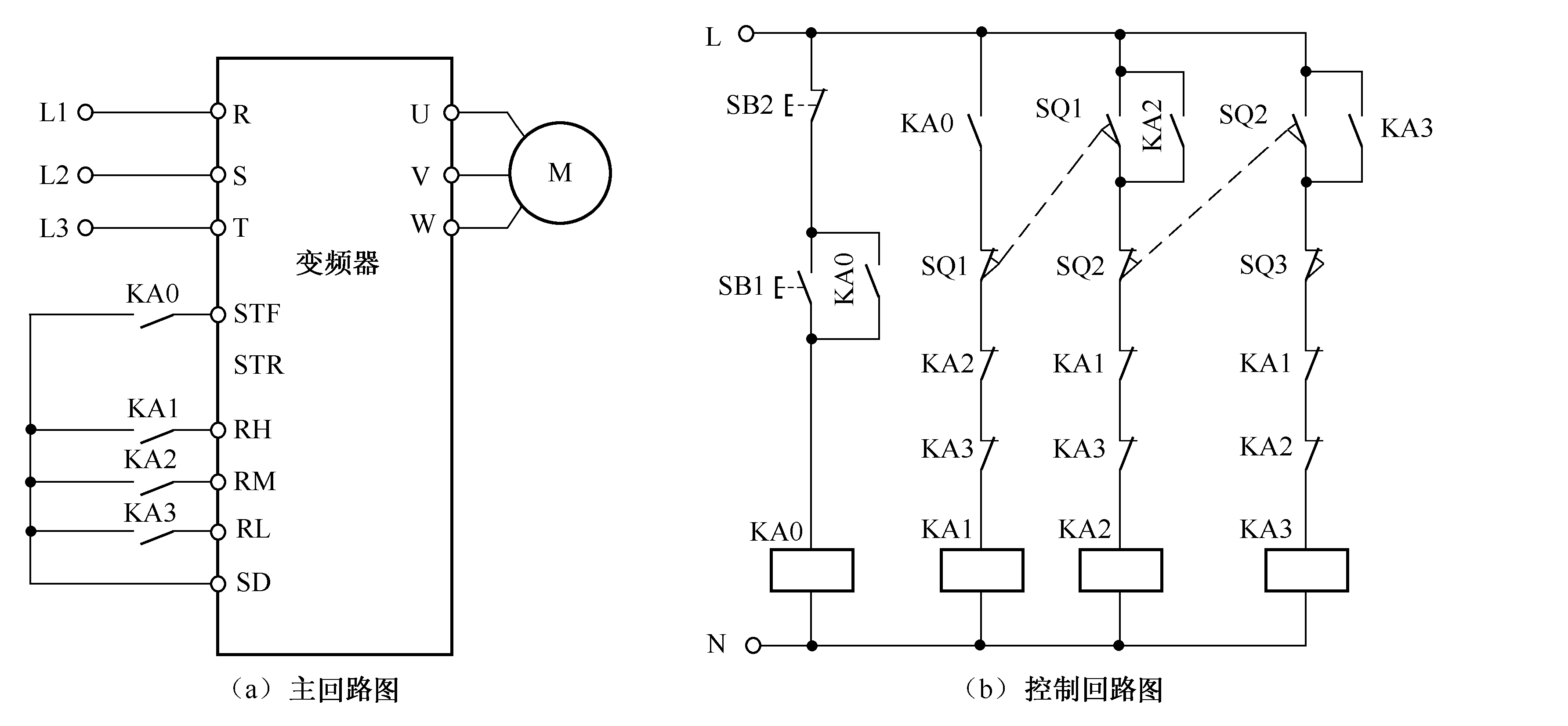
变频器多档速控制电路及参数设置
1.多档转速控制说明
变频器的RH、RM、RL为多档转速控制端,RH为高速挡,RM为中速挡,RL为低速挡。RH、RM、RL 3个端子组合可以进行7档转速控制。

2.参数设置
1)多档转速端子选择参数
Pr.180=0,RL端子控制有效;
Pr.181=1,RM端子控制有效;
Pr.182=2,RH端子控制有效。
以上某参数若设为9999,则将该端设为控制无效。
2)多档运行频率参数
|
参数 |
速度 |
出厂设定 |
设定范围 |
备注 |
|
Pr.4 |
高速 |
60Hz |
0~400Hz |
|
|
Pr.5 |
中速 |
30Hz |
0~400Hz |
|
|
Pr.6 |
低速 |
10Hz |
0~400Hz |
|
|
Pr.24 |
速度四 |
9999 |
0~400Hz,9999 |
9999:无效 |
|
Pr.25 |
速度五 |
9999 |
0~400Hz,9999 |
9999:无效 |
|
Pr.26 |
速度六 |
9999 |
0~400Hz,9999 |
9999:无效 |
|
Pr.27 |
速度七 |
9999 |
0~400Hz,9999 |
9999:无效 |
3.控制电路
采用了KA0~KA3 4个中间继电器,常开触点接在变频器的多档转速控制输入端,还用了SQ1~SQ3 3个行程开关来检测运动部件的位置并进行转速切换控制。

一个典型的多档转速控制电路
- 起动并高速运转
- 高速转中速运转
- 中速转低速运转
- 低速转为停转
(工作过程说明已省略)

变频器输出频率变化曲线
变频器程序控制电路及参数设置
程序控制又称简易PLC控制,它是通过设置参数的方式给变频器编制电动机转向、运行频率和时间的程序段,然后用相应输入端子控制某程序段的运行,让变频器按程序输出相应频率的电源,驱动电动机按设置方式运行。三菱FR-A500系列变频器具有程序控制功能,而三菱FR-A700系列变频器删除了该功能。

一个常见的变频器程序控制运行电路
1.程序参数设置

程序运行参数图
设置Pr.79=5,让变频器工作在程序控制模式;
设置Pr.200=1,将程序运行时间单位设为时/分;
设置Pr.201~Pr.206,具体设定值及功能见下表。
|
参数设定值 |
设定功能 |
|
Pr.201=1,20,1:00 |
正转,20Hz,1点整 |
|
Pr.202=0,0,3:00 |
停止,3点整 |
|
Pr.203=2,30,4:00 |
反转,30Hz,4点整 |
|
Pr.204=1,10,6:00 |
正转,10Hz,6点整 |
|
Pr.205=1,35,7:30 |
正转,35Hz,7点30分 |
|
Pr.206=0,0,9:00 |
停止,9点整 |
2.程序运行控制
- 将RH端子外接开关闭合,选择运行第1程序组(Pr.201~Pr.210设定的参数),再将STF端子外接开关闭合,变频器内部定时器开始从0计时,开始程序运行参数曲线工作。当计时到1:00时,变频器执行Pr.201参数值,输出正转、20Hz的电源驱动电动机运转,这样运转到3:00时(连续运转2h),变频器执行Pr.202参数值,停止输出电源,当到达4:00时,变频器执行Pr.203参数值,输出反转、30Hz电源驱动电动机运转。
- 当变频器执行完一个程序组后会从SU端输出一个信号,该信号送入STR端,对变频器的定时器进行复位,然后变频器又重新开始执行程序组,按程序运行参数曲线工作。若要停止程序运行,可断开STF端子外接开关。变频器在执行程序过程中,如果瞬间断电又恢复,定时器会自动复位,但不会自动执行程序,需要重新断开又闭合STF端子外接开关。
变频器PID控制电路及参数设置
PID控制又称比例微积分控制,是一种闭环控制。

一种典型的PID控制应用电路
1.PID控制参数设置
|
参数及设置值 |
说 明 |
|
Pr.128=20 |
将端子4设为PID控制的压力检测输入端 |
|
Pr.129=30 |
将PID比例调节设为30% |
|
Pr.130=10 |
将积分时间常数设为10s |
|
Pr.131=100% |
设定上限值范围为100% |
|
Pr.132=0 |
设定下限值范围为0 |
|
Pr.133=50% |
设定PU操作时的PID控制设定值(外部操作时,设定值由2-5端子间的电压决定) |
|
Pr.134=3s |
将积分时间常数设为3s |
2.端子功能参数设置
|
参数及设置值 |
说 明 |
|
Pr.183=14 |
将RT端子设为PID控制端,用于启动PID控制 |
|
Pr.192=16 |
设置IPF端子输出正反转信号 |
|
Pr.193=14 |
设置OL端子输出下限信号 |
|
Pr.194=15 |
设置FU端子输出上限信号 |
3.操作运行
- 设置外部操作模式。设定Pr.79=2,面板“EXT”指示灯亮,指示当前为外部操作模式。
- 启动PID控制。将AU端子外接开关闭合,选择端子4电流输入有效;将RT端子外接开关闭合,启动PID控制;将STF端子外接开关闭合,启动电动机正转。
- 改变给定值。调节设定电位器,2-5端子间的电压变化,PID控制的给定值随之变化,电动机转速会发生变化,例如给定值大,正向偏差(ΔX>0)增大,相当于反馈值减小,PID控制使电动机转速变快,水压增大,端子4的反馈值增大,偏差慢慢减小,当偏差接近0时,电动机转速保持稳定。
- 改变反馈值。调节阀门,改变水压大小来调节端子4输入的电流(反馈值),PID控制的反馈值变化,电动机转速就会发生变化。例如阀门调大,水压增大,反馈值大,负向偏差(ΔX<0)增大,相当于给定值减小,PID控制使电动机转速变慢,水压减小,端子4的反馈值减小,偏差慢慢减小,当偏差接近0时,电动机转速保持稳定。
- PU操作模式下的PID控制。设定Pr.79=1,面板“PU”指示灯亮,指示当前为PU操作模式。按“FWD”或“REV”键,启动PID控制,运行在Pr.133设定值上,按“STOP”键停止PID运行。
选自《PLC、变频器技术咱得这么学》
