-
以案释法 | 未采取可靠的安全措施处理危险物品
《中华人民共和国安全生产法》 第三十六条第二款:“生产经营单位生产、经营、运输、储存、使用危险物品或者处置废弃危险物品,必须执行有关法律、法规和国家标准或者行业标准,建立专门的安全管理制度,采取可靠的安全措施,接受有关主管部门依法实施的监督管理。”第九十八条第一项:“生产经营单位有下列行为之一的,责令限期改正,可以处十万元以下的罚款;逾期未改正的,责令停产停业整顿,并处十万元以上二十万元以下的罚款…- 2.4k
- 0
-
-
-
-
特种作业常见问题解答——考核篇
-END- ▌来源:应急管理部安全生产基础司 应急管理部培训中心 ▌编辑:崔益源 李坤 | 审核:刘钊 王传云 矿冶科技集团有限公司 觉得有用,戳一个好看吧! 本篇文章来源于微信公众号:港口技术安全- 1.2k
- 0
-
以案释法 | 新工艺、新技术、新材料或者使用新设备前未采取有效安全防护措施或进行安全教育培训
《中华人民共和国安全生产法》 第二十六条:“生产经营单位采用新工艺、新技术、新材料或者使用新设备,必须了解、掌握其安全技术特性,采取有效的安全防护措施,并对从业人员进行专门的安全生产教育和培训。”第九十四条第三项:生产经营单位有下列行为之一的,责令限期改正,可以处五万元以下的罚款;逾期未改正的,责令停产停业整顿,并处五万元以上十万元以下的罚款,对其直接负责的主管人员和其他直接责任人员处一万元以上二…- 2.3k
- 0
-
以案释法 | 未教育督促从业人员执行安全操作规程并告知作业危害
《中华人民共和国安全生产法》 第四十一条:“生产经营单位应当教育和督促从业人员严格执行本单位的安全生产规章制度和安全操作规程;并向从业人员如实告知作业场所和工作岗位存在的危险因素、防范措施以及事故应急措施。”第九十四条第三项:生产经营单位有下列行为之一的,责令限期改正,可以处五万元以下的罚款;逾期未改正的,责令停产停业整顿,并处五万元以上十万元以下的罚款,对其直接负责的主管人员和其他直接责任人员处…- 1.6k
- 0
-
以案释法 | 安全生产管理人员未对安全生产状况进行经常性检查
《中华人民共和国安全生产法》第四十三条第一款:“生产经营单位的安全生产管理人员应当根据本单位的生产经营特点,对安全生产状况进行经常性检查;对检查中发现的安全问题,应当立即处理;不能处理的,应当及时报告本单位有关负责人,有关负责人应当及时处理。检查及处理情况应当如实记录在案。”第九十三条:“生产经营单位的安全生产管理人员未履行本法规定的安全生产管理职责的,责令限期改正;导致发生生产安全事故的,暂停或…- 1.8k
- 0
-
以案释法 | 两个以上生产经营单位在同一作业区域内进行生产经营活动,未签订安全生产管理协议
《中华人民共和国安全生产法》 第四十五条:“ 两个以上生产经营单位在同一作业区域内进行生产经营活动,可能危及对方生产安全的,应当签订安全生产管理协议,明确各自的安全生产管理职责和应当采取的安全措施,并指定专职安全生产管理人员进行安全检查与协调。”第一百零一条:“两个以上生产经营单位在同一作业区域内进行可能危及对方安全生产的生产经营活动,未签订安全生产管理协议或者未指定专职安全生产管理…- 2.3k
- 0
-
有限空间作业的正确操作方式
有限空间因空间相对密闭,有毒有害气体难以扩散,积聚到一定程度会致人中毒。有限空间作业前应该做什么准备?作业时和作业后又该注意些什么?一起读图了解。 本篇文章来源于微信公众号:港口技术安全- 1.2k
- 0
-
实用!车间班组交接班管理制度,正确做好交接班
谈到“班组交接班”, 想必大家的看法各不相同。 观点1:班组交接班可有可无,只是几句话的交流而已,对工作起不到多少指导作用; 观点2:班组交接班一定要有,面对面交接工作能让人做到心中有数,接手工作时至少不会成为“无头苍蝇”; 观点3:各交各自岗位的班,这样不是更好吗? 经验证明, 班组上下班交接、交接班记录的传递 能起到沟通信息、发现问题、协调配合的作用。 小安提醒 任何规章制度都是用血和教训…- 1.5k
- 0
-
境外港口输入!港口冷链运输再引关注
继9月下旬青岛发现两名码头工人无症状感染新型肺炎病毒后,昨日,天津再曝一名冷库装卸工人感染确诊。港口冷链运输食品环节新冠肺炎病毒的境外输入与防控,再度引起广泛关注。微港口从天津市卫健委官网获悉,7日晚,山东省德州市报告,经天津滨海新区东疆保税港区从德国不来梅港进口的冷冻猪前肘外包装新冠肺炎病毒核酸检测呈弱阳性;山西太原通报,经天津从境外进口的印度产冷冻食品外包装新冠病毒检测呈阳性。8日,天津通报新…- 1.9k
- 0
-
薄壁孔液阻流速、流量计算
1.薄壁孔定义壁厚小于孔半径,孔前通道直径超过孔直径7倍以上,流态为湍流等前提条件满足时,该孔可以看做薄壁孔,通过的流量与孔两端压差△P的平方根大致成线性关系,不直接受到粘度影响。即: 2.在小孔处流速估算在小孔处流速估算有两种方法: 2.1通过流量除以面积估算,比较适合油缸或者马达。2.2通过压降估算,比较适合孔口。对于调速阀、负载敏感多路阀等阀口压降通常为0.5Mpa,估算流速为对于伺服阀…- 2.6k
- 0
-
恐怖!一个操作,配电箱瞬间爆炸,员工当场死亡,触目惊心!
恐怖,配电箱又爆炸! 配电箱为什么会发生爆炸? 配电箱爆炸是由短路引起的。平时使用的电线短路会发出较大的声响和火光,配电箱距离电源较近,短路电流比平时短路大得多,配电箱里面的母线排截面大,短路时短路电流形成的瞬间高温和强大的电动力,就会合成爆炸气浪,将配电箱炸开。 其他类似案例: 案例一 两电工修理配电箱时发生恐怖一幕,他们跑还有用吗 …- 1.1k
- 0
-
变压器主保护与后备保护知识全解
变压器是连续运行的静止设备,运行比较可靠,故障机会较少。但由于绝大部分变压器安装在户外,并且受到运行时承受负荷的影响以及电力系统短路故障的影响,在运行过程中不可避免的出现各类故障和异常情况。 一、变压器的常见故障和异常 变压器的故障可分为内部故障和外部故障。 内部故障指的是箱壳内部发生的故障,有绕组的相间短路故障、一相绕组的匝间短路故障、绕组与铁芯间的短路故障、绕组的断线故障等。 外部故障指的是变…- 1.6k
- 0
-
涨知识!为啥中国民用电压是220V 美国日本只有110V?哪种更安全
经常出国溜达的小伙伴都知道,到某些国家一定要带上电源转换器。由于世界各国及地区的电力环境不同,民用电压也存在差异,各国电器的电压适用范围也不同。 先来看一组各国民用电的电压情况: 100V:日本、朝鲜(仅2国) 110~130V:美国、加拿大、巴拿马、古巴、黎巴嫩、墨西哥等国,以及中国台湾等约30国(地区) 220~230V:英国、德国、法国、中国、新加坡、中国香港(200V)、意大利、西班牙、希…- 1.5k
- 0
-
20年老电工总结,常见的电机控制方式都在这,学会很简单
低压电机的常见启动、控制方式只有以下几种种。 A.直接启动 B.降压启动(星三角、自耦变压器、电抗及软启动) C.变频启动 01 直接启动 使用场合:电机能够直接启动,主要取决于电机所在的电源容量能承受的电流大小;一般电机容量超过变压器容量的5-10%,就要采取降压启动,否则会产生大的电压降,影响同一网线上别的电气设备正常运行。 满足下列条件,通常采取直接启动: 1)电机功率7.5KW以上的三相异…- 1.6k
- 0
-
变频器加速时间与减速时间的参数设定
1.什么是加速时间?设置加速时间这个参数时应考虑那些因素? 加速时间是变频器的工作频率从0Hz上升到基本频率(50Hz)所需的时间。这一规定同时适用于加速终止频率为任意值的情况。例如,多段速运行中,某一转速档次的运转频率设定为30Hz,加速时间设定为30秒,则这一转速档次的实际加速时间(加速到30Hz的时间)是(30Hz/50Hz)×30秒=18秒,而不能理解为加速到30Hz需要30秒。 设定加速…- 2.7k
- 0
-
空气开关反着接会有危险吗?
这个问题,解析时可以分解为两个相互关联的子问题。我们来看下图: 图中我用青色框标明的区域就是断路器,当然,这台断路器是低压配电室里面用的,而用粉色框框起来的部分与问题有关。 注意看这台断路器,我们发现它是四极的,而且在三条相线中,半圆的标识和半个正方形的标识标识这台断路器具有过载保护和短路保护功能。 特别注意的是:N线所在的极里,没有任何保护,断路器在这里充其量只不过具有隔离开关功能而已。 因此,…- 1k
- 0
-
【PLC编程实例】小型冷库恒温控制的PLC设计
一、冷库的方案设计 1.设计条件和设计参数 设计条件:设计对象一层结构的药材冷藏库,+5℃冷藏库库体容积约为760立方米, -20℃冷藏库库体容积约为27立方米。 设计参数: 环境参数:干球温度TD=33.5℃ ,相对湿度RH=85℅; 室内参数: +5℃药材药品冷藏库 干球温度TD=+5℃ ,相对湿度RH=85—90℅; -20℃药材药品冷藏库 干球温度TD=-20℃ ,相对湿度RH=85…- 1.9k
- 0
-
解读变频器中与频率有关的概念术语
各种变频器说明书中有很多与频率有关的概念与术语,现将它们的定义解读如下。 上限频率:变频器允许运行的最高频率。 下限频率:变频器允许运行的最低频率。变频器的下限频率仅在运行时有效,在起动与停机过程中不影响起动频率和停止频率的效力。 频率限制:上限频率与下限频率统称为受限制的频率。 基本频率:与变频器的最大输出电压对应的频率称为基本频率。在大多数情况下,基本频率等于电动机的额定频率。 基底频率:同基…- 1.5k
- 0
-
PLC你是怎么学的
PLC怎么学?我是偷师加自学。从事非标设备行业的PLC初学者是成长最快的,有机会见识各种控制需要,而不是标准设备厂那些PLC触摸屏稍微改改又是一套新设备程序。我进入这行是在搞维修时认识的老电工,介绍到他朋友开的设备厂做学徒。 因为我是电气自动化专业的,刚去我也以为自己有基础,可以独立就搞定设备,结果连一台只有10个IO不到的机台程序都没写出来。为什么?因为我只会简单的逻辑,连一套顺序动作都组合不出…- 1.2k
- 0
-
配电箱安装14大禁忌,千万要注意!
禁忌1:照明配电箱(板)进场未做检查。 01 后果:照明配电箱(板)进场未做检查,往往在安装后才发现:其二层板没有专用接地螺栓,保护地线截面小,装有电器的可开启门没有用裸铜软线与金属构架可靠连接,导线与器具连接不牢固、有反圈现象,螺丝母不用镀锌件,导线线径不符合要求,没有按色标标识,没有卡片柜和电气线路图,器具布局、间隔不合理,没有设置N和PE端子排等,再修改延误工期也影响质量。 措施:首先在加…- 2.1k
- 0
-
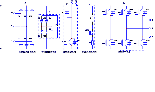
涨知识|变频器直流母线故障如何检修?
可以说,变频器主电路的所有部件,都是直接并联(或者说是“挂在”)直流母线上的,如图1所示,常规小功率机型,大致有a~e等6部分电路并接于p、n直流母线,中、大功率机型,只有直流制动电路,需在变频器外部接入。 a~e等6部分电路中的任一部分出现短路故障时,都会直接造成p、n端点的电阻变化,同理,当测量其它无故障电路时,也会因故障电路的“牵连”,使正常电路(被无辜)表现出“短路”的故障现象。 因而在…- 1.5k
- 0
幸运之星正在降临...
点击领取今天的签到奖励!
恭喜!您今天获得了{{mission.data.mission.credit}}积分
我的优惠劵
-
¥优惠劵使用时效:无法使用使用时效:
之前
使用时效:永久有效优惠劵ID:×
没有优惠劵可用!
























