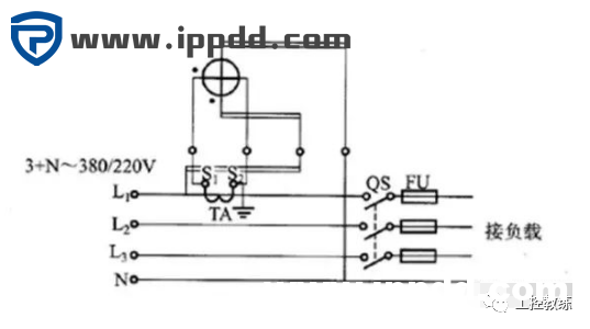
对于工业用电而言,TN-C供电系统,就是我们俗称的三相四线制,地线和的确是相通的,完全是一条线,PE和N线统一起来变成了PEN,地线是零线,零线也是地线,这样少了一条线,比较简单,会节省很多钱,但是使用起来有一定的危险性,而居民用电是不能这样供电的,在用电端是不能接到一起的,要当做两条线来对待。


上边开头的地方说到了,工业用电,使用了三相四线制供电,而居民用电,一般使用了三相五线制,也就是到我们家的小区里边,你会看到5条线出来,而到了家庭里边,使用了单相电,实际上就会分为火线、零线和地线。
     

这种俗称的“三相五线制”供电,实际上标准的叫法是TN-S或者TN-C-S。对于TN-S,就是在发电厂这边的变压器,中性线接地了,然后从这个接地点,分别引出了PE地线和N零线,从这个角度来看,地线和零线一开始就是相通的,然后一路铺开后都是要分开的,完全是两条线。
TN-C-S是TN-S的一种特例应用,相当于发电厂的接地点,一开始只引一条PEN线出去做干线,一直到了一些小区的变电站里边,再分出来PE地线和N零线两条线,再给用户使用。实际上并没有绝对的TN-S,几乎所有的居民用电都是TN-C-S系统供电。本质上,TN-C-S也是有一头零线和地线是相通的,只是到了居民这头是分开的。

既然“三相五线制”,设计出来,就是要求零线和地线是分开的,所以在用户端,它们完全是两条线,不能短接到一起使用,也就是相当于“分断”的,而不是“相通”的,虽然你用万用表去测量它们,也许在某些条件下,万用表是“通”的,但是完全不能理解成它们相通。

工业用电简单,零线和地线接到一起了,省了一条线,而且维修起来似乎也容易,民用电为什么不学一下工业用电,地线和零线用一条?答案是“安全要求不一样”。

大多数情况下,我们站在地上工作生活和学习,用电设备,大多数也是安装在大地上,或者和大地连接的部件上。而用电设备,和大地之间,往往有一定的电势差,也就是我们常说的电压。一旦有触电或者漏电,电流可能会流过我们人体进入大地,引起人“触电”,直接带来人身伤害,所以供电部门,要考虑设计一种装置来及时切换供电回路,确保人身安全。

在工厂等场所,因为有专业电工及时待命,而且有很多人在一起上班作业,一旦有人触电了,互相之间完全可以及时照应来救援处理,而在家里,很多时候是一个人面对用电设备,一旦发生用电安全问题,只能靠保护装置来解决问题。

科学家们研究发现,只要人触电了,就会有一定的电流流过人体,比如不超过30毫安的电流,人本身基本上还是可以摆脱触电装置而脱身的。如果超过了30毫安,人就很难摆脱了,因此设计了一种漏电保护装置出来,通过它来判断供电系统是否漏电流达到一定级别,比如超过30毫安,就让供电开关自动切断了,从而防止漏电流对人体的继续伤害。

漏电保护装置,也就是我们常说的漏保开关,它有零线和火线通过,通过互感器来检测零线和火线电流的矢量和来判断是否要跳闸。正常情况下,零线和火线的电流是完全一致的,这时候它们经过互感器的剩余为零。当人或者设备装置漏电,有一部分电流,会经过人体流入到大地里边,超过一定值比如30毫安,这时候互感器测量到的剩余电流达到一定程度,就会主动切断保护开关,断电了,从而保护人身或者设备安全。

如果你把地线和零线接到一起,零线上的一些电流,会直接流入到地线里边,这时候漏保就直接会动作了,无法正常使用了,所以零线和地线,一定要在用户这边分开来使用。即使漏报没有动作,零线和地线接一块了,如果系统存在三相不平衡,而这样零线会有一定电流入大地,和大地之间,会有一定的电势差,用手去触摸零线的手,不排除会有电流流过人体而伤害人本身。

在供电过程中,零线是不允许再重复接地的,但是地线是可以重复再接入大地的。零线用来参与工作了,和相线形成工作回路,而地线完全是用来保护的。
本篇文章来源于微信公众号:港口技术安全
