根据下图的三相交流电动机正反转控制的主电路,设计一个PLC控制电动机正停反的控制系统。控制要求如下:
(1)正常情况下,按启动按钮SB1,电机正转,按下反转启动按钮SB2,电机反转。
(2)电机启动后,按下停止按钮SB3并等待5秒钟之后,才可以改变电动机的旋转方向;
(3)如果SB1和SB2同时按下,电动机停止转动,并且不起动,同时报警灯L1亮1秒暗1秒不断闪烁。此时按SB3停止按钮进行复位。

首先我们先确定一下按钮、KM的使用辅助触点情况,这里是正反转的主回路,主回路必须有互锁电路,其他的按钮用常开触点。
下面是PLC的输入输出点表:

根据题意(1)编程:这里根据题意1,只需遍2个自保持电路即可。

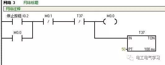
题意2要求按停止按钮5秒后才能改变电机方向,所以这里需设置一个标志位,这里用M0.0。
并且加上程序互锁电路,具体如下:



首先在2个自保持回路中加入互锁电路——网络1的Q0.1常闭点和网络2的Q0.0常闭点。题意2说按下停止按钮后5秒,才能按启动按钮,所以网络3按下I0.2停止按钮后,M0.0得电自保持,计时器T37计时5s后,将M0.0的自保持回路停掉。并且在网络1和网络2中加M0.0的常闭点,使M0.0得电时网络1和网络2即使按了正转按钮或者反转按钮也不会使Q0.0或Q0.1得电。
题意3要求SB1和SB2同时按下,电动机停止转动,并且不起动,同时报警灯L1亮1秒暗1秒不断闪烁。编程如下:





这次增加了网络4/5/6,网络5和6就是利用2个计时器产生一个一秒脉冲的小程序,SM0.0为特殊位,其功能为一直得电。网络4就是利用M0.1将网络1/2/3锁死,也就是说M0.1得电网络1.2.3是不起作用的。其原理与上一小结的M0.0一样。
以上就是这个实例的全部编程。正所谓万丈高楼平地起,如果你叫小编一口气编出来,小编也是很为难的。但是,将题意一点点拆分,一点点的把所需的功能写入,最后一定可以合你心意。最后你看看编完的程序与最初的程序差了多少?
本篇文章来源于微信公众号:港口技术安全