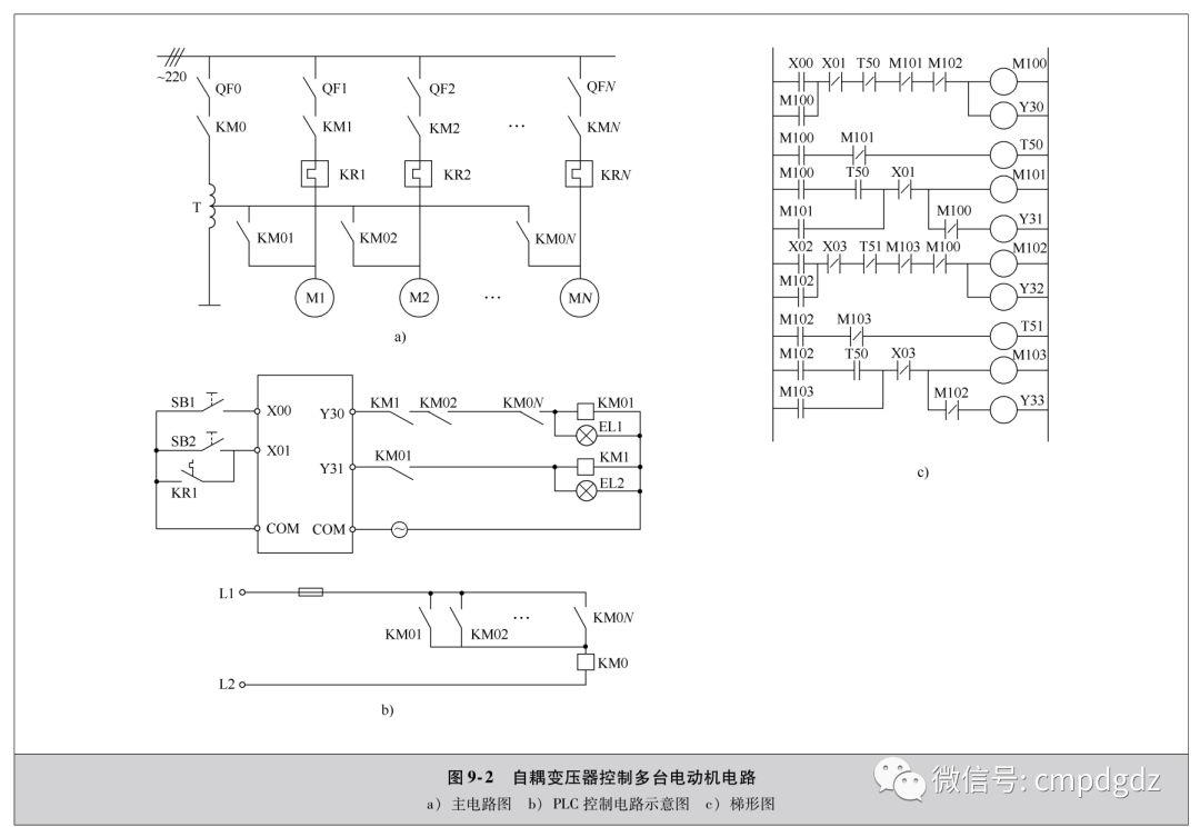
PLC自耦变压器控制多台电动机电路
电气控制要求用一台自耦变压器起动多台异步电动机应满足以下要求:
1) 任意一台电动机在起动过程中,其他电动机都不能起动。该电动机起动结束后才能起动下一台电动机。任何电动机 (不论停止,还是运行) 都不能影响正在起动的电动机。
2) 起动任何一台电动机时,首先使该电动机与自耦变压器连接,减压起动,不应有直接起动的可能性。
3) 控制系统应具有较强的容错能力,即使出现误操作,也不应出现有危害人身安全和设备安全的情况。
4) 对电动机应有必要的保护措施,如过载、过电流保护等。


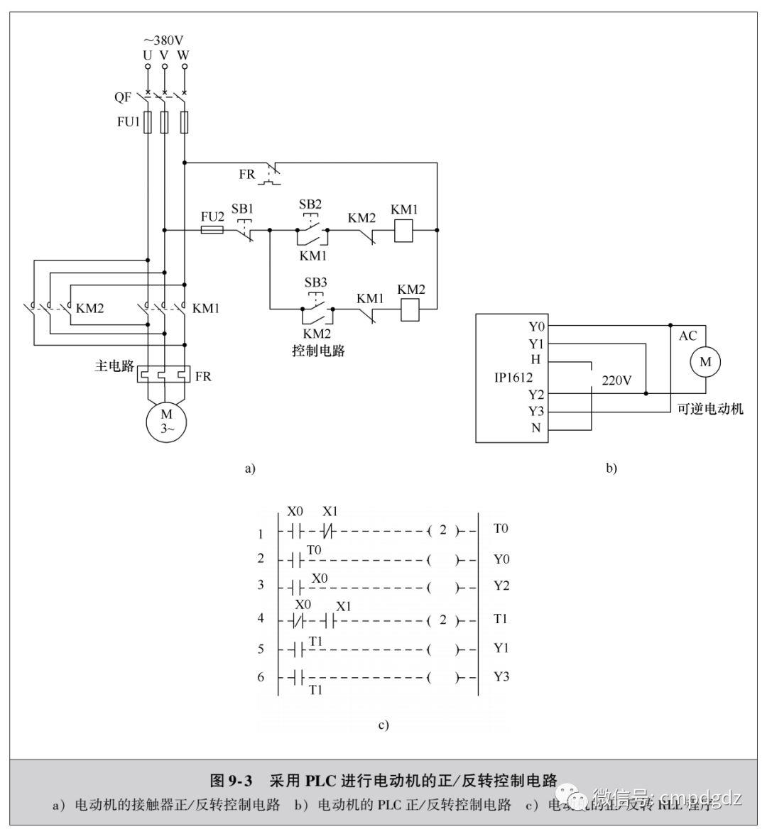
采用PLC进行电动机的正/反转控制电路
图9-3a所示为电动机的接触器正/反转控制电路。采用PLC来控制这类电动机正/反转时,在断开正向控制触头到接通反向控制触头之间要有一段延时,如图9-3b所示。
IP系列PLC的H端可以接相线或中心线,但两组之间H端是相互绝缘的。由两个输入信号X0及X1可控制电动机的正转、反转及停止。图9-3c所示为电动机的正/反转RLL程序,它的逻辑关系如表9-5所示。


若用这种方法去控制一台三相交流电动机,则要仔细考虑Y0和Y1的瞬时接通,否则会使设备毁坏。
用PLC对喷漆机械手进行定位控制电路
用PLC对喷漆机械手进行定位控制是采用步进顺序控制器分步控制的。


PLC桥式起重机检测控制电路
由于对桥式起重机的检测需要在现场进行,就要求检测控制设备接线方便、便于携带、工作可靠、控制灵活,而PLC恰恰可以满足这些要求。



PLC电镀专用行车控制电路
电镀行车是现代化工厂中用于物料输送的重要设备,传统的控制方式下,大都采用人工操作的半自动控制方式。在许多场合,为了提高工作效率,促进生产自动化和减轻劳动强度,往往需要实现电镀行车的自动化控制。实现自动化控制,可以使行车能够按照预定顺序和控制要求自动完成一系列的工作。


PLC砂处理生产线控制电路
砂处理生产线的主要用电设备是连续工作制,采用传统的继电器控制系统,需要采用大量中间继电器和时间继电器,可靠性差,难以保证系统长时间连续工作。虽然用继电器构成一个控制系统的直接投资比PLC少,但从系统的寿命及其维修费用来考虑,用PLC取代继电器构成一个控制系统是合适的。


PLC高压离心风机控制电路
目前,在风机动力设备的传统控制方法是通过手动或继电器控制,存在着可靠性和灵活性差的问题。例如,由于电动机的容量大,就存在起动花费时间长、起动电流大、运行安全可靠性差等问题。为此,需要采用多项措施实现高压离心风机的自动控制,并保证系统的安全运行。


PLC多工步机床控制电路
在机床行业中,多工步机床由于其工步及动作多,控制较为复杂。采用传统的继电器控制时,需要的继电器多,接线复杂,因此故障多,维修困难,费工费时,采用PLC控制,可使接线大为简化,不但安装十分方便,而且保证了可靠性,减少了维修量,提高了工效。

END
本文选自《实物图解电工常用控制电路300例》,由于篇幅原因,本文省略了大部分文字解释,若大家对于内容理解有困难,建议翻一翻这本书。