 
目录
- 
培训简介与电子技术基础 
- 
线性电源和开关电源比较 
- 
开关电源的工作原理与用途 
- 
典型变频器驱动电源控制原理 
- 艾默生变频器维修指南
 
1.简介与电子技术基础

电源图片

一、电阻
1.1电阻色环识别与计算
电阻的单位:电阻的基本单位是“欧姆”,什么叫“1欧姆”?假如一段导线,两端的电压是1伏,此时流过 导线的电流是1安培,那么这段导线的电阻就是1欧姆,简称“欧”。1000欧=1千欧(KΩ),1000千欧=1兆欧(MΩ)。 欧姆的符号是“Ω”;千欧符号“ΚΩ”;兆欧符号“MΩ”。


1.2电阻色环识别练习

二、半导体三极管
晶体三极管简称三极管,它的工作状态有三种:放大、饱和、截止,因此,三极管是放大电路的核心元件——具有电流放大能力,同时又是理想的无触点开关元器件。
1. 分类
内部结构:NPN型和PNP型管;工作频率:有低频和高频管;功率:有小功率和大功率管; 封装材料分:金属壳、塑封管等材料:有锗管和硅管等等。

2. 结构和符号
⑴三极管的结构
有三个区——发射区、基区、集电区;
两个PN结——发射结(BE结)、集电结(BC);
三个电极——发射极e、基极b和集电极c;

小功率三极管
通常情况下,把集电极最大允许耗散功率PCM在1W以下的三极管称为小功率三极管。
中功率三极管
中功率三极管主要用在驱动和激励电路,为大功率放大器提供驱动信号。通常情况下,集电极最大允许耗散功率PCM在1~10W的三极管称为中功率三极管。
大功率三极管
集电极最大允许耗散功率PCM在10W以上的三极管称为大功率三极管。
3、三极管器件的命名方式

4、贴片三极管的外形及特点
采用表面贴装技术SMT(Surface Mounted Technology)的三极管称为贴片三极管。贴片三极管有三个引脚的,也有四个引脚的。在四个引脚的三极管中,比较大的一个引脚是集电极,两个相通引脚是发射极,余下的一个引脚是基极。

5、三极管的检测
指针式万用表检测三极管
指针式万用表检测普通三极管指针式万用表判断普通三极管的三个
电极、极性及好坏时,选择R×100或R×1k挡位,常分两步进行测量判断。
(1)三颠倒,找基极;PN结,定极型三极管的内部等效图如图所示,测量时要时刻想着此图,从而达到熟能生巧。
(2)判断基极、集电极—顺箭头,偏转大;测不准,动嘴巴基极找到之后,判断出PNP型或NPN型,再找发射极和集电极。
用指针式万用表判断三极管极性

三、半导体二极管
半导体二极管是在PN结上加接触电极、引线和管壳封装而成的。二极管有正极、负极两个电极。

二极管命名

种类:
(1)按制作工艺不同:
点接触型二极管、面接触型二极管。
点接触型:点接触型二极管的结面积小、电容小,适用于高频、小电流的整流、检波、混频电路等面接触型:面接触型二极管的结面积大、结电容大,一般工作于低频电路下,如整流电路。
(2) 按结构材料分:锗二极管硅二极管
硅管与锗管的区别:导通电压不一样,硅管的导通电压为0.7V,锗管的导通电压为0.3V
(3)按封装形式不同:玻璃封装、塑料封装、金属封装二极管

(4)按工作频率不同:高频二极管和低频二极管
(5)按二极管功率大小不同:大功率,小功率,中功率
桥式整流电路输出波形及二极管上电压波形

二极管的检测

二极管的测量及好坏判断
1、二极管的测量
将万用表打到蜂鸣二极管档,红表笔接二极管的正极,黑笔接二极管的负极,此时测量的是二极管的正向导通阻值,也就是二极管的正向压降值。不同的二极管根据它内部材料不同所测得的正向压降值也不同。
2、好坏判断
正向压降值读数在300–800为正常,若显示为0说明二极管短路或击穿,若显示为1说明二极管开路。将表笔调换再测,读数应为1即无穷大,若不是1说明二极管损坏。 正向压降值在200左右时,为稳压二极管;快恢复二极管的两读数都在200左右正常。
二极管的代换原则
1、主板上的二极管只要大小、模样相同即可代换,如红色的玻璃管。
2、不同用途之间的二极管不能代用,硅二极管和锗二极管之间也不能代用。
3、更换二极管时要认清正负极,不能接反,否则电路不能正常工作。
4、二极管为开路故障时可以先不拆下,直接用一个新的二极管并联上去(焊在原二极管的引脚焊点上)。
5、怀疑二极管击穿或性能不良时,一定要将原二极管拆下,再焊上新的二极管。
电容的分类
根据不同的标准电容就会有不同的分类,比如可以按照安装形式可以分为插件和贴片,按照极性可以分为有极和无极等等,也可以根据材料分为铝电解、钽电解、瓷片、云母、涤纶等等。

分类介绍—认识电容 1
名称:高频瓷介电容
符号:CC
电容量:1–6800p
额定电压:63–500V
主要特点:高频损耗小,稳定性好
应用:高频电路

名称:低频瓷介电容
符号:CT
电容量:10p—4.7u
额定电压:50V–100V
主要特点:体积小,价廉,损耗大,稳定性差
应用:要求不高的低频电路

分类介绍—认识电容 2
名称:聚酯(涤纶)
电容符号:CL
电容量:40p–4u
额定电压:63–630V
主要特点:小体积,大容量,耐热耐湿,温度特性好,稳定性略差。
应用:要求不高的低频振荡电路

分类介绍—认识电容 3
名称:聚苯乙烯
电容符号:CB
电容量:10p–1u
额定电压:100V–30KV
主要特点:稳定,低损耗,体积较大
应用:对稳定性和损耗要求较高的电路

类介绍—认识电容 4
名称:聚丙烯
电容符号:CBB
电容量:1000p–10u
额定电压:63–2000V
主要特点:性能与聚苯乙烯相似但体积小,稳定性略差
应用:代替大部分聚苯或云母电容,用于要求较高的电路。

分类介绍—认识电容 5
名称:云母
电容符号:CY
电容量:10p—0.1u
额定电压:100V–7kV
主要特点:高稳定性,高可靠性,耐高温,温度系数小
应用:高频振荡,脉冲或高温等要求较高的电路

分类介绍—认识电容 6
名称:铝电解
电容符号:CD
电容量:0.47u–10000u
额定电压:6.3–450V
主要特点:体积小,容量大,损耗大,漏电大
应用:电源滤波,低频耦合,去耦,旁路等

分类介绍—认识电容 7
名称:钽电解电容
符号: CA
电容量:0.1–1000u
额定电压:6.3–125V
主要特点:体积小,损耗低、漏电小
应用:在要求高的电路中代替铝电解电容
分类介绍—认识电容 8
名称:独石电容
电容量:0.5PF–1UF
主要特点:电容量大、体积小、可靠性高、电容量稳定,耐高温耐湿性好等。
应用:广泛应用于电子精密仪器。各种小型电子设备作谐振、耦合、滤波、旁路。
分类介绍—认识电容 9
名称:陶瓷介质微调
可变电容量:0.3–22p
主要特点:损耗较小,体积较小
应用:精密调谐的高频振荡回路

电解电容的失效问题
电解电容的概况
重要性:多用于电源滤波,一旦短路,后果严重
优点:电容量大,价格低
缺点:寿命短,漏电流大,易燃
延长寿命的方法:降温使用,选用标称温度高的产品


电解电容的失效问题–失效机理
漏液:电容减小
阳极氧化膜损伤难以修补,漏电 流增大。
短路放电:大电流烧坏电极
电源反接:大电流烧坏电极,阴极氧化,绝缘膜增厚,电容量下降
长期放置:不通电,阳极氧化膜损伤难以修补,漏电流增大。

常用电容的主要性能参数
| 电容种类 | 容量范围 | 直流工作电压( V) | 运用频率(MHz) | 准确度 | 漏电电阻(>MΩ) | 
| 中小型纸介电容 | 470pF-0.22uF | 63-630 | 8以下 | -Ⅲ | >5000 | 
| 金属壳密封纸介电容 | 0.01uF-10uF | 250-1600 | 直流,脉动直流 | Ⅰ>-Ⅲ | >1000-5000 | 
| 中小型金属化纸介电容 | 0.01uF-0.22uF | 160、250、400 | 8以下 | Ⅰ>-Ⅲ | >2000 | 
| 金属壳密封金属化纸介电容 | 0.22uF-30uF | 160-1600 | 直流,脉动电流 | Ⅰ>-Ⅲ | >30-5000 | 
| 薄膜电容 | 3pF-0.1uF | 63-500 | 高频、低频 | Ⅰ>-Ⅲ | >10000 | 
| 云母电容 | 10pF-0.51uF | 100-7000 | 75-250以下 | 02-Ⅲ | >10000 | 
| 瓷介电容 | 1pF-0.1uF | 63-630 | 低频、高频 | 02-Ⅲ | >10000 | 
| 铝电解电容 | 1uF-10000uF | 4-500 | 直流,脉动直流 | ⅣⅤ | |
| 钽、铌电解电容 | 0.47uF-1000uF | 6.3-160 | 直流,脉动直流 | ⅢⅣ | |
| 瓷介微调电容 | 2/7pF-7/25pF | 250-500 | 高频 | >1000-10000 | |
| 可变电容 | 7pF-1100pF | 100以上 | 低频,高频 | >500 | 
 

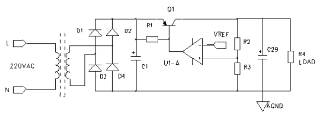
2.1 线性电源的特点
线性电源一般用工频变压器将市电高压交流电转换为低压交流电,再经整流滤波成为一个直流电压,然后利用有源器件导通电阻的可变性将这个直流电压降至设定的输出电压。下图为一个简单的线性串联稳压电路:
随着电子元件和磁性元件的发展,越来越多的电子设备使用了开关电源。因为开关电源有相比线性电源1000倍以上的开关频率,因而在重量、体积、效率等方面具有明显的优势。开关电源的使用越来越广泛,如邮电通信、军事装备、交通设施、仪器仪表、工业设备、医疗设备、家用电器等都越来越多的应用了开关电源。

2.2 开关电源电源的特点
随着电子元件和磁性元件的发展,越来越多的电子设备使用了开关电源。因为开关电源有相比线性电源1000倍以上的开关频率,因而在重量、体积、效率等方面具有明显的优势。开关电源的使用越来越广泛,如邮电通信、军事装备、交通设施、仪器仪表、工业设备、医疗设备、家用电器等都越来越多的应用了开关电源。

 


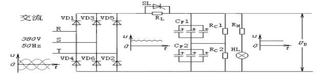
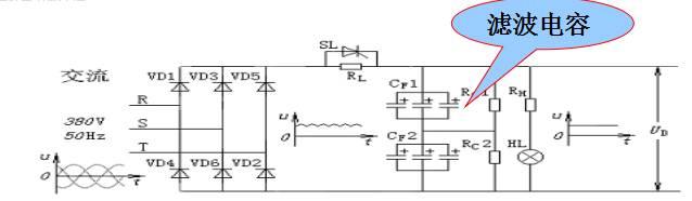
3.1 小功率整流滤波电路

3.2.1 滤波电路——电容滤波

3.2.2 滤波电路——电感滤波
用储能元电感器L的电流能突的性质,把电感L件整流电路的负载R相串联,也可以起到小波的作用件。

3.3 稳压电路概述

3.4 串联反馈式稳压电源


三端集成稳压器

3.5 开关型稳压电源工作原理

3.6 开关稳压电源控制集成应用


单片集成直流稳压电路的应用

单片集成直流稳压电路的应用



一、变频器控制基础——变频器分类
1.1 按直流电源的性直分类
(1)电流型变频器
特点:中间直流环节采用大电感作为储能环节,无功功率由该电感来缓冲,电压波形接近于正弦波,直流电源的内阻较大,近似于电流源,故称为电流型变频器

(2)电压型变频器
特点:中间直流环节的储能元件采用大电容,负载的无功功率将由它来缓冲。直流电源内阻较小,相当于电压源,故称为电压型变频器。

1.2 按输出电压调节方式分类
(1)PAM方式
简称脉冲幅度调制方式,是通过改变直流电压的幅值进行调压的方式。在变频器中,逆变器只负责调节输出频率,而输出电压的调节则由相控整流器或直流斩波器通过调节直流电压Ud支实现。

(2)PWM方式
脉冲宽度调制方式,变频器中采用不可控的二极管整流电路,变频器的输出频率和输出电压调节均由逆变器按PWM方式来完成。

1.3 按控制方式分类
(1)u/f控制
按照电压、频率关系对变频器的频率和电压进行控制,又称VVVF控制。
特点是电动机的实际转速根据负载的大小,即转速差的大小来决定,负载变化时,在f不变的条件下,转子转速将随负载转矩的变化而变化,属开环控制无需速度传感器,控制电路简单,适用于对转速要求不高的控制系统。
(2)转差率控制
根据速度传感器的检测,可以求出转差率∆f,再把它与速度设定值f相叠加,以该叠加值作为逆变器的频率设定值f1,就实现转差补偿。
(3)矢量控制
上述的u/f控制和转差率控制方式的控帽思想都建立在异步电动机的静态学模型上。因此,矢量控制主要用于动态性能要求较高的系统中,控制方式是将交流电动机的定子电流分解成磁场分量电流和转矩分量电流,并分别加以控制,以获得类似于直流调速系统的动态性能。
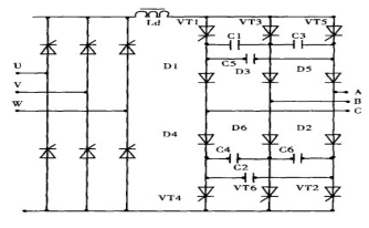
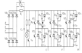
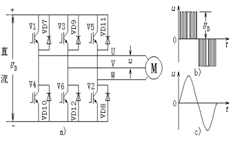
二、变频器主回路结构——电压型变频器主回路
定义
中间直流环节的储能元件采用大电容,负载的无功功率将由它来缓冲。直流电源内阻较小,相当于电压源,故称为电压型变频器。

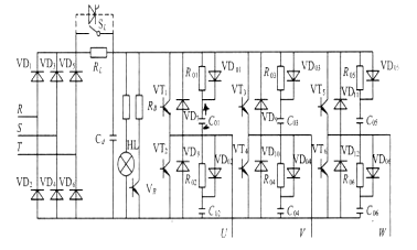
1) 整流:从R 、S 、T端输入频率固定的三相交变电源,经三相整流桥全波整流成直流电,其电压即母线电压。

2) 启动电阻(限流电阻): 小容量RL50~100 ,大容量RL10~40,电阻容量50~100W

在电源接通时,电容中将流过较大的充电电流(浪涌电流),可能烧坏整流桥,故在启动要限流,接入限流电阻。同时进线处的电压将瞬间下降到0V,对同一网络中的其他设备构成干扰。当滤波电容器已充电完毕后,将限流电阻短接。
3) 滤波电路

注意事项:
受电容量和耐压的限制,滤波电路通常由若干个电容器并联成一组,又由两个电容器组串联而成。滤波电容要均压,分别并联电阻值相等的均压电阻 。断电后,母线电压要5~10分钟才能降到安全电压。
4) 直流电源指示
作为变频器断电后,变频器是否有电的指示(灯灭后才能进行拆线等操作),一定要在指示灯完全熄灭后,才能用手去触摸里面的元、器件。

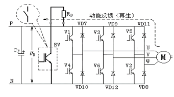
5) 能耗制动电路(泵升电压限制电路)系统组成
①制动单元由GTR或IGBT及其驱动电路构成。
②制动电阻RB制动时,异步电机进入回馈制动(发电)状态,通过逆变器的续流二极管向电容C充电,当中间直流电压(称为泵升电压)升高到一定值时,通过开关器件VT7接通RB,将电动机的动能消耗在电阻RB上。RB的作用:将这部分回馈能量消耗掉。一些变频器此电阻是外接的,都有外接端 子(如DB+,DB-)。

6) 逆变电路
把直流电“逆变”成频率和电压任意可调的三相交流电。常用逆变模块有:GTR、BJT、GTO、IGBT、IGCT等, 一般都采用模块化结构有2单元、4单元、6单元。续流二极管VD7~VD12 为电流提供“通路”;
注意:输出侧不能接电容器

(7)电抗器
抑制谐波电流,提高功率因数。对于容量较大的PWM变频器,在输入端设有进线电抗器,或在在整流器和电容器之间串接直流电抗器。

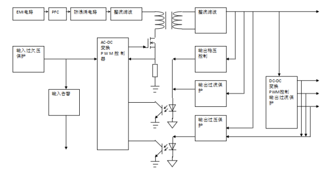
三 变频器电气控制系统结构图

5.变频器维修指南

艾默生变频器维修指南
1、电流检测故障 (如报E019,E001):
(1)控制板Q1(15050026)坏。
(2)7840坏:在变频器通电时,用直流档,黑接5脚,红分别接6,7,8脚,值为2.5,2.5,5为正常,否则7840坏。
(3)小板坏:在变频器通电时,用直流档,黑接7840的5脚,红分别接小板的脚从左到右应为2.5,2.5,2.5,3.4 1.5 ,0,1.6。
如值不对,小板坏:此时可更换小板坏中的三个小IC(39030024 LMV393),如还不好,更换小板。
2、显示POFF:
驱动板上电POFF,测CVD电压正常应为2.6-2.7,如测得1.9,可能R51,R52,C36,C37,排线中的某一个坏, 其中的电解电容坏的最多。只在带电机运行时报POFF,驱动板变压器也有可能坏。
3、缓冲电阻坏:
缓冲电阻和滤波大电容是成对的。如果其一坏,另一个很可能也坏。缓冲电阻坏也有可能是继电器不吸合(继电器坏或控制板坏,或与二者相连的电路上元件坏)引起。单相输入(220V)的变频器,特别要注意:如果无显示或炸机,很可能是用户接入了三相电(380V)引起的(可察控制板的故障记录:母线电压是否由310变为了540)。此时不断IPM的整流桥已坏,滤波大电容也坏(或炸裂或顶面凸起变硬)。如果只更换IPM后就上电,会听到“啪,啪”的响声(电容内的声音),应立即掉电,否则IPM的整流桥又会坏。发现一个大电容坏,最好都换新的。因电容是易坏易老化的器件。
4、显示不稳:
先有显示,然后没有,风扇停下,电压只有12,此种现象一般是U1厚膜坏。 报故障E015:通电指示灯亮,键盘不亮,拨了风扇就好--风扇短路
5、不制动:
01180099,01180100,01180113,01180114 的制动管不在IPM内部,变频器炸机和不显示很可能就是在变频器停机制动时引起的,所以更换IPM后,一定要检测制动电路的好坏:制动光耦,制动管(MOS管不好测,可测其串联的续流二极管,正常应为0.37左右),门极电阻(也就是MOS管的门极电阻,正常应为100欧姆)。修好上电后,TD900 F093改为150,报E007,红接P(+),黑接PB,如电压在17-30跳动,制动正常。TD3200 F133=150 直流电压 270-350V 制动起作用。
6、炸整流桥:
如果测得部分整流桥损坏,而逆变桥全是好的,就有可能是正负母排之间打火引起。环境潮湿是主因,一般是有水滴在正负接线端子之间,或者是有水滴在正接线端子和散热器之间引起炸机的。此种坏机的接线端子绝缘性已变差,一定要更换,否则一上电又炸了。另一种原因就是滤波大电容短路(或炸裂或顶面凸起变硬),也要注意更换电容。
7、机器打嗝:
即风扇时快时慢,无显示。一般是控制板短路了,去掉控制板再上电,如还打嗝,有可能就是厚膜周边的器件坏了,例如TD1000大体积R56电阻27欧的阻值变大了很多,即打嗝保护电路自身坏了。开关电源不工作,可量其中一个电阻的电压,如有点电压且在跳变,说明开关电源已起振,但后面电路短路了(变压器脚间连锡,滤波电容碰歪),打嗝保护电路在起作用。如一点电压也没有,说明开关电源没起振,一般是厚膜坏或2844及附近器件坏。
8、风扇无力,转速慢:
EV1000的D6击穿。上电报8888:FECDF21U1板U8坏,有细小裂缝。EV1000如01180128,带载停机报8888:变压器电感量变差或PC9原副边绝缘不够。
9、按运行报8888:驱动光耦短路。
10、 EV1000大体积:原故障是炸机,修好后运行无输出或E019,常坏的是U9。无输出有时Q2也坏。
