-
变频器维修中常见的故障测试方法和故障处理思路
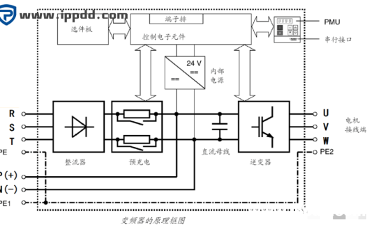
变频器厂家在变频器日常维护过程中,经常遇到各种各样的问题,如外围线路问题,参数设定不良或机械故障。如果是变频器出现故障,如何去判断是哪一部分问题,在这里略作介绍。 1.测试整流电路 找到变频器内部直流电源的P端和N端,将万用表调到电阻X10档,红表棒接到P,黑表棒分别依到R、S、T,应该有大约几十欧的阻值,且基本平衡。相反将黑表棒接到端,红表棒依次接到R、S、T,有一个接近于无穷大的阻值。将红表棒…- 1.5k
- 0
幸运之星正在降临...
点击领取今天的签到奖励!
恭喜!您今天获得了{{mission.data.mission.credit}}积分
我的优惠劵
-
¥优惠劵使用时效:无法使用使用时效:
之前
使用时效:永久有效优惠劵ID:×
没有优惠劵可用!

